Prüfung von Beschichtungen
Bild 5.3.1.5-1:
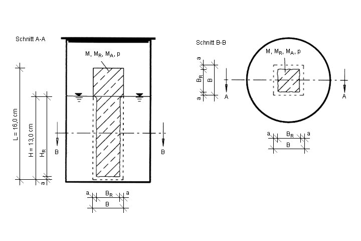
Einlagerungsversuche - Versuchsaufbau [Stein97f] |
Bild 5.3.1.5-2:
Einlagerung eines Mörtelprismas in Schwefelsäure mit 2 Gew.-% [Quelle: STEIN Ingenieure GmbH] |
Die Prüfung einer Beschichtung von Kanalisationen umfaßt sowohl die allgemeine Mörtelprüfung, z.B. nach DIN 18555 Teile 1 bis 5 [DIN18555] bzw. den ursprünglich für Zement konzipierten DIN 1164 Teil 1 [DIN1164b] und DIN EN 196 Teil 1 [DINEN196] als auch die Überprüfung bezüglich der kanalspezifischen Anforderungen (Korrosionsbeständigkeit, Wasseraußendruckbelastbarkeit, Abriebfestigkeit, Haftzugfestigkeit, Beständigkeit gegen HD-Spülverfahren etc.). Keines der zur Prüfung der kanalspezifischen Anforderungen zur Zeit eingesetzten Verfahren ist bisher genormt.
Für die Prüfung der Korrosionsbeständigkeit unter Berücksichtigung kanalspezifischer Rand- und Betriebsbedingungen wurde ein Prüfprogramm auf der Basis von Einlagerungsversuchen in charakteristischen Medien entwickelt [Stein97f] . Damit ist es möglich, den jeweiligen Beschichtungsstoff unter realitätsnahen Beanspruchungen für konkrete Anwendungsfälle zu bewerten. Die Praktikabilität des Prüfprogramms wurde bereits an zahlreichen, auf dem Markt befindlichen Beschichtungsmörteln und -betonen nachgewiesen.
Im Rahmen des Programms werden Mörtelprismen mit den Abmessungen 40x40x160 mm3 hergestellt und bis zur Prüfung 28 Tage in Wasser gelagert. Anschließend erfolgt die Einlagerung der Proben in jeweils 1,4 Liter des agressiven Mediums, so daß diese bis in eine Höhe von 130 mm benetzt sind (Bild 5.3.1.5-1) (Bild 5.3.1.5-2) . Zur Erzielung einer Ergebnisstreubreite von 10 % bei einer Trefferwahrscheinlichkeit von 95 % sind je Prüfmedium 3 Einzelversuche erforderlich. Um eine zuverlässige Aussage zu bekommen, sollte bei jeder Prüfserie ein Referenzmörtel bekannter Zusammensetzung mit geprüft werden.
Versuche haben gezeigt, daß die Angriffsstärke der Säuren nicht über 5,0 Gew.-% liegen sollte, da es sonst zu exothermen Reaktionen kommen kann, die nicht mehr den Bedingungen in der Kanalisation entsprechen. Zudem kommt es bei so hohen Konzentrationen durch das schnelle Lösen von Zementstein zu einem sehr starkem Abfall der Säurekonzentration. Um unter realitätsnahen Bedingungen einen möglichst starken Angriff auf den Mörtel zu erzielen, hat sich eine Angriffsstärke der Säuren von 2,0 Gew.-% bewährt.
Durch die Erneuerung der angreifenden Lösungen in festgelegten Zeitabständen wird sichergestellt, daß sich ihre Angriffsstärke aufgrund der ablaufenden chemischen Reaktionen um nicht mehr als 15 % reduziert. Das unter diesen Voraussetzungen erforderliche Erneuerungsintervall beträgt für Säuren 7 Tage und für Ammoniumsulfat 21 Tage. (Tabelle 5.3.1.5-1) gibt einen Überblick über die Versuchsparameter. Im Rahmen der Erneuerung der Medien werden die Proben jeweils zur Simulation des Abwasserabflusses und der Kanalreinigung abgebürstet und gewogen. Der gemessene Gewichtsverlust der Proben wird in einen gleichmäßigen Materialabtrag umgerechnet.
Versuchsparameter bei Einlagerungsversuchen nach [Stein97f]
| Korrosive Medien | Konzentration [Gew.−%] |
Einlagerungsdauer [Tage] |
Erneuerungsintervall der korrosiven Medien |
|---|---|---|---|
| Salpetersäure | 2,0 | 70 | 7 |
| Salzsäure | 2,0 | 70 | 7 |
| Schwefelsäure | 2,0 | 70 | 7 |
| Ammoniumsulfat | 5,0 | 182 | 28 |
Nach Beendigung der Einlagerungsversuche erfolgt durch den Vergleich der ermittelten Materialabträge der unterschiedlichen Mörtelzusammensetzungen und die Bestimmung der Biegezug- und Druckfestigkeit an den korrodierten Probekörpern sowie an den wassergelagerten Vergleichsproben die Auswertung.
Während die Biegezugfestigkeit gemäß DIN EN 196 Teil 1 [DINEN196] bestimmt werden kann, muß bei der Druckfestigkeitsprüfung die Druckkraft, nicht wie in DIN EN 196 [DINEN196] angegeben, über die Seitenflächen der Mörtelbruchstücke, sondern über die zuvor plan zu schleifenden Stirnflächen eingeleitet werden, da über die korrodierten Seitenflächen eine gleichmäßige Krafteinleitung nicht möglich ist. Da die exakte Bestimmung der Querschnittsfläche der korrodierten Proben nur mit erheblichem Aufwand möglich ist, wird bei der Bestimmung der Biegezug- und Druckfestigkeiten jeweils die Ausgangsfläche von 40 x 40 mm2 zu Grunde gelegt. Es handelt sich hierbei folglich nicht um Materialkennwerte, sondern um reine Vergleichsgrößen.
Bild 5.3.1.5-3:
Querschnittsverhältnisse korrodierter Mörtelprismen [Efes81] |
Bild 5.3.1.5-4:
Probenquerschnitt nach einer Einlagerung in Schwefelsäure (links) bzw. Salpetersäure (rechts) [Stein97f] |
(Bild 5.3.1.5-3) zeigt die unterschiedlichen Querschnittsverhältnisse korrodierter Mörtelprismen.
Für eine Beurteilung der Mörtel bzgl. Salpetersäureangriff sollte die visuelle Schädigungstiefe an den Bruchflächen nach erfolgter Biegezugprüfung ermittelt werden.
Im Rahmen einer Versuchsreihe an Mörtelprismen wurde festgestellt, daß in Salpetersäure eingelagerte Proben nur sehr geringe, von außen sichtbare Materialabträge zeigen. Nach Durchführung der Biegezugprüfungen konnte jedoch an allen in Salpetersäure eingelagerten Proben eine dem von außen sichtbaren Materialabtrag vorauseilende Schädigung der äußeren Schicht festgestellt werden. Diese Schädigung war bis zu einem deutlich sichtbaren Kern fortgeschritten. Die geschädigte äußere Schicht war porös und besaß eine deutlich geringere Festigkeit als der Kern.
(Bild 5.3.1.5-4) zeigt zwei typische Probenquerschnitte nach einer Einlagerung in Schwefelsäure bzw. Salpetersäure.
Im Fall des Salpetersäureangriffs stellt der angegebene Materialabtrag somit eine äquivalente Schichtdicke für den Materialverlust dar, der in der äußeren Schicht einer Probe aufgrund der vorauseilenden Schädigung auftritt.
Nach neueren Erkenntnissen [Sand94b] ist der Einlagerungsversuch mit Schwefelsäure nicht zur Vorhersage des Verhaltens gegenüber Biogener Schwefelsäure-Korrosion geeignet. Ebensowenig ist ein Rückschluß vom Verhalten eines Mörtels gegenüber Biogener Schwefelsäure-Korrosion auf seine Beständigkeit bei einem direkten Angriff durch Schwefelsäure (z.B. Sohlenkorrosion in Kanälen aufgrund eingeleiteter aggressiver Medien) möglich [FI-Heide] .
Zur Simulierung der Biogenen Schwefelsäure-Korrosion wird eine entsprechende Kanalatmosphäre in einem klimatisierten H2S - Schadgasschrank erzeugt. Dieser kann mit 32 verschiedenen, präparierten Betonprüfkörpern von bekannter Zusammensetzung mit jeweils 60 cm Höhe, 11 cm Länge und 7 cm Breite bestückt werden [Biele87a] . Im Schadgasschrank beträgt die Temperatur 30° C, bei einer relativen Luftfeuchtigkeit von ≥ 95 %. Als Schwefelsäurevorstufe, die im Überschuß vorhanden ist, dienen etwa 10ppm gasförmiger Schwefelwasserstoff (H2S).
H2S liefert durch Autooxidation mit Luftsauerstoff elementaren Schwefel, der sich auf der Betonoberfläche niederschlägt und als Substrat für Thiobazillen, die für das Auftreten der Biogenen Schwefelsäure-Korrosion verantwortlich sind, dient. Durch Beimpfung der Probekörper mit diesen schwefelsäurebildenden Bakterien (Thiobazillen), die aus dem Hamburger Kanalisationssystem isoliert wurden, wird die Voraussetzung für die Biogene Schwefelsäure-Korrosion geschaffen. Das Besondere an diesem Verfahren ist, daß die Schwefelsäure auf den Probekörpern erst durch die Bakterien gebildet werden muß und somit die Angriffsstärke u.a. von der Anzahl der sich auf den Prüfflächen ansiedelnden Bakterien abhängig ist.
An den Prüfkörpern werden im Versuchsverlauf die pH-Werte im Oberflächenfilm, die Zellenzahlen von Thiobazillen sowie der Substanzverlust gemessen. Anhand dieser Parameter erfolgt eine Bewertung der Proben. Die erforderliche Versuchsdauer beträgt 1 Jahr. Neuere Versuchstechniken lassen eine Reduktion der Versuchsdauer bei gleicher Aussagekraft der Versuchsergebnisse zu [Schmi97] .
Die Wasseraußendruckbelastung kann in speziellen Versuchseinrichtungen geprüft werden. Ein spezieller Versuchsstand ermöglicht es, eine auf eine Betonplatte aufgebrachte Beschichtung einem definierten Wasseraußendruck auszusetzen. Hierbei können sowohl die Höhe des Wasserdruckes als auch der zeitliche Druckverlauf variiert werden (Abschnitt 5.3.2) .
Die Beständigkeit bei Wasserlagerung sollte bei Reaktionsharzmörtelbeschichtungen untersucht werden, da bei einigen Reaktionsharzen das Auftreten von Feuchtigkeit zu Eigenschaftsverschlechterungen führen kann. Hierzu wird eine zuvor wassergesättigte Betonplatte mit dem Reaktionsharzmörtel 20 mm dick beschichtet und in Wasser gelagert. Nach 28 und 70 Tagen wird an diesen Platten die Haftzugfestigkeit der Beschichtung bestimmt. Der Haftzugfestigkeitsabfall darf nicht größer als 20 % sein. Der Mindestwert der Haftzugfestigkeit beträgt in jedem Fall 1,0 N/mm2 [Frank97] . Die für diese Untersuchungen verwendete Betonplatte sollte möglichst die gleichen Eigenschaften (z.B. Festigkeit, Oberflächenbeschaffenheit und -vorbereitung) wie das zu beschichtende Rohr besitzen oder aus diesem mit Hilfe von Bohrkernen entnommen werden.
Die Abriebfestigkeit als Maß für den mechanischen Verschleiß von Rohren wird im Darmstädter Kipprinnenversuch nach DIN 19565 [DIN19565a] unter Verwendung von beschichteten Rohrhalbschalen DN 300 von etwa 1000 mm Länge festgestellt. In den Versuchsstand wird die jeweilige Halbschale eingebaut und anschließend über eine Exzenterwelle um jeweils 22,5° gegen die Horizontale hin und her gekippt (Bild 5.3.1.5-5) (Bild 5.3.1.5-6) (Bild 5.3.1.5-7) (Bild 5.3.1.5-8) .
Bild 5.3.1.5-5:
Kipprinnenversuch nach DIN 19565 [DIN19565a] |
Bild 5.3.1.5-6:
Kipprinnenversuch nach DIN 19565 [DIN19565a] [Quelle: STEIN Ingenieure GmbH] - Kipprinne im Betrieb |
Bild 5.3.1.5-7:
Kipprinnenversuch nach DIN 19565 [DIN19565a] [Quelle: STEIN Ingenieure GmbH] - Eingebaute Betonrohrhalbschale mit Prüfmaterial |
Bild 5.3.1.5-8:
Kipprinnenversuch nach DIN 19565 [DIN19565a] [Quelle: STEIN Ingenieure GmbH] - Oberfläche eines Betonrohres nach 100000 Lastwechseln |
In der Halbschale befindet sich in Abhängigkeit der Nennweite ein definiertes Gemisch aus Wasser und verschiedenen Zuschlagstoffen, durch welches beim Kippen der mechanische Angriff entsteht. Der Versuch wird mit 2×10 5 Lastspielen gefahren. Der Abrieb wird mittels mechanischer Meßuhren, die über eine Meßbrücke geführt werden, an vorher festgelegten Stellen bestimmt.
Zur Beurteilung der Festigkeit des Verbundes zwischen Beschichtung und Betonuntergrund existieren folgende Prüfverfahren:
- Prüfung der Haftzugfestigkeit der Beschichtung mit dem Abreißversuch (auch als Haftzugfestigkeitsprüfung bezeichnet)
- Prüfung der Scherfestigkeit der Beschichtung mit dem Scherversuch.
Nach der Richtlinie des DAfStb [DAfStB:1991] versteht man unter der Haftzugfestigkeit , die auf eine Prüffläche bezogene, rechtwinklig zur Beschichtungsebene wirkende Zugkraft, die erforderlich ist, um eine Beschichtung vom Untergrund zu trennen.
Das Verfahren kann in situ direkt am Bauwerk an horizontalen, geneigten und vertikalen Flächen angewendet werden und ist daher in die einschlägigen Richtlinien und Regelwerke [ZTVSIB90] [DIN1048-2] aufgenommen worden.
Die Messung der Haftzugfestigkeit umfaßt folgende Arbeitsschritte (Bild 5.3.1.5-9) :
- Vorbohren (naß) der Prüf- bzw. Meßstelle mit einem Kernbohrgerät mit einer Bohrkrone von 50 mm Innendurchmesser. Dabei soll die Bohrkrone die Beschichtung durchtrennen und noch ca. 10 mm in den Untergrund eindringen.
- Aufkleben eines kreisförmigen Prüfstempels von 50 mm Durchmesser auf die vorgebohrte Stelle (Bild 5.3.1.5-10) (Bild 5.3.1.5-11) .
- Abreißen des Stempels mit einem Abreißprüfgerät; dabei ermittelt ein elektronisches Datenmeßgerät automatisch beim Versagen des Verbundes in der Prüffläche die Haftzugfestigkeit (Abreißfestigkeit) in N/mm2; und zeigt den ermittelten Wert auf einem Display an.
Bild 5.3.1.5-10:
Haftzugfestigkeitsprüfung [Quelle: STEIN Ingenieure GmbH] - Auf der Beschichtung aufgeklebter und fixierter Prüfstempel |
Bild 5.3.1.5-11:
Haftzugfestigkeitsprüfung [Quelle: STEIN Ingenieure GmbH] - Ansicht der Bruchfläche |
Mit dem Abreißversuch läßt sich neben der Haftzugfestigkeit zwischen Beschichtung und Untergrund auch die Oberflächenzugfestigkeit des Untergrundes bestimmen (Abschnitt 5.3.1.4) .
Dabei wird mit dem Begriff Oberflächenzugfestigkeit die Kohäsion der Betonrandzone unter Zugbeanspruchung bezeichnet, während der Begriff "Haftzugfestigkeit" die Adhäsion zwischen verschiedenen Schichten bei einer Zugkafteinleitung beschreibt [Schuh92] .
Die Vorgehensweise bei der Oberflächenzugfestigkeitsprüfung ist identisch mit der Haftzugfestigkeitsprüfung. Der einzige Unterschied besteht darin, daß sich zwischen Betonuntergrund und Prüfstempel keine Beschichtung befindet. Der Stempel wird auf eine entsprechend vorgebohrte Meßstelle direkt auf die Betonfläche aufgeklebt und abgerissen.
Im Bereich der Hochbausanierung fordern die Richtlinien [DAfStB:1991] [ZTVSIB90] grundsätzlich vor Beginn einer Beschichtungsmaßnahme die Prüfung der Oberflächenzugfestigkeit des Betonuntergrundes, um dessen innere Haftfestigkeit und Tragfähigkeit für das aufzubringende Beschichtungsmaterial nachzuweisen.
Bild 5.3.1.5-12:
Prüfung der Haftzugfestigkeit - Ansicht der Bruchflächen (Versagen im Beton) [Stein97f] |
Bild 5.3.1.5-13:
Schichtdickenmeßgerät für den nichtbegehbaren Nennweitenbereich [FI-Broch] |
Bei der Durchführung von Scherversuchen, bei denen eine parallel zur Verbundfläche angreifende Kraft die Beschichtung abschert, bereitet nach [Schuh92] die Nachbildung der Scherbeanspruchung im Labor, bei der Spannungskonzentrationen und unerwünschte Zusatzbeanspruchungen wie z.B. Biegespannungen entstehen können, prüftechnische Schwierigkeiten. Der hierzu erforderliche versuchstechnische Aufwand ist erheblich. Zur Abschätzung der Scherfestigkeit in der Verbundfuge kann auf die in der Literatur dargestellten Zusammenhänge zwischen Haftzug- und Scherfestigkeit zurückgegriffen werden.
In [Schuh92] wird angegeben, daß in einer Verbundfuge zwischen Betonuntergrund und Beschichtung die Scherfestigkeit erfahrungsgemäß ungefähr dreimal höher ist als die Haftzugfestigkeit.
(Bild 5.3.1.5-12) zeigt eine abgelöste Beschichtung mit der Bruchfläche im Beton.
Zur Kontrolle der Dicke von Mörtelbeschichtungen in Rohren aus metallischen Werkstoffen werden im begehbaren und im nichtbegehbaren Nennweitenbereich nach dem Induktionsprinzip arbeitende Schichtdickenmeßgeräte eingesetzt.
An einem Trägergerät, das mit einer Winde durch die zu untersuchende Haltung gezogen wird, sind 4 induktive Sonden angeordnet. Diese werden durch Federkraft gegen die Rohrinnenwandung gepreßt. Der Abstand der Sonden-Sensorpole zur metallischen Rohrwandung kann durch die Stärke der Induktivität der Pole, die von den magnetischen Feldlinienlängen abhängig ist, gemessen werden. Mit veränderlichen Dicken der Beschichtung verändert sich auch die Induktivität. Im Schichtdickenmeßgerät befindet sich eine Auswerteelektronik, welche die veränderliche Induktion als Gleichspannungswert ausgibt. Diese Signale werden auf einem Analogschreiber in Form einer Schichtdickenlinie graphisch dargestellt. In Verbindung mit einem digitalen Wegstreckengeber lassen sich die 4 Schichtdickenmeßwerte über die gesamte Haltung ablesen und örtlich bestimmen (Bild 5.3.1.5-13) .
