Sika-Robot-System
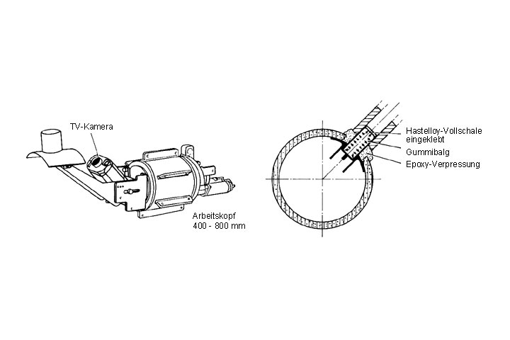
Das SikaRobot-System [FI-Sika] besteht zur Vereinfachung der Einbringung in die Kanäle über Einsteigschächte aus drei gelenkig miteinander verbundenen Maschinenteilen (Bild 5.2.1.6.2-1) (Bild 5.2.1.6.2-2) (Bild 5.2.1.6.2-3) (Bild 5.2.1.6.2-4) . Dabei handelt es sich in der Grundversion um Antriebseinheit, Steuerteil und Arbeitskopf mit Werkzeughalterung sowie einer TV-Kamera zur visuellen Kontrolle der Reparaturarbeiten.
Der Anwendungsbereich erstreckt sich auf Kanäle aller Werkstoffe und die Nennweitenbereiche DN 150-250, DN 200-350 und DN 400-800.
Der Arbeitskopf ist allseitig beweglich und, bezogen auf die Längsachse, um 420° drehbar. Er läßt sich durch radial verstellbare Radsätze im Kanal zentrieren und kann, wie beim KA-TE-System, mit verschiedenen Werkzeugen für Fräs-, Bohr-, Schleif- und Injektionsarbeiten bestückt werden.
Bild 5.2.1.6.2-2:
Sika-Robot-System [FI-Sika] - Einrichtung für Fräsarbeiten |
Bild 5.2.1.6.2-3:
Sika-Robot-System [FI-Sika] - Einrichtung für Fräsarbeiten (Nutenfräser) |
Bild 5.2.1.6.2-4:
Sika-Robot-System [FI-Sika] - Einrichtung für die Injektion mit einem Verpreßfuß |
Darüber hinaus stehen Zusatzgeräte und -ausrüstungen für folgende Arbeiten zur Verfügung:
- Pneumatischer Abbauhammer zur Entfernung verfestigter Ablagerungen.
- Hochdruckspüleinrichtung zur Reinigung sowie zur Entfernung verfestigter Ablagerungen und Wurzeln.
- Einrichtung für Teil- oder Vollauskleidungen aus sog. Hastelloy-Schalen (Bild 5.2.1.6.2-5) zur Verbesserung der statischen Tragfähigkeit des Kanals. Die Schalen werden nach dem Verlegen hinterfüllt und abgeglättet.
- Einrichtung zur Reparatur der Einbindungsbereiche von Anschlußkanälen (Bild 5.2.1.6.2-6) .
- Einrichtung zum Verschließen außer Betrieb genommener Anschlußkanäle (Zapfensetzgerät) (Bild 5.2.1.6.2-7) .
Bild 5.2.1.6.2-5:
Prinzipdarstellung des Sika-Robot-Systems mit verschiedenen Ausrüstungen [FI-Sika] - Einrichtung für partielle Auskleidungen mit Hastelloy-Schalen |
Bild 5.2.1.6.2-6:
Prinzipdarstellung des Sika-Robot-Systems mit verschiedenen Ausrüstungen [FI-Sika] - Einrichtung zur Reparatur von Anschlußkanaleinbindungen |
Bild 5.2.1.6.2-7:
Prinzipdarstellung des Sika-Robot-Systems mit verschiedenen Ausrüstungen [FI-Sika] - Einrichtung zum Verschließen von Anschlußkanälen (Zapfensetzgerät) |
Das Injizieren und Verfüllen von Rissen, Rohrverbindungen und Öffnungen in der Rohrwand erfolgt im Gegensatz zum KA-TE-System unter Verwendung einer Teilschalung (Verpreßfuß) und mit hochviskos eingestelltem, lösemittelfreiem Epoxidharz, welches unter Druck eingetragen wird [FI-eta] . Insgesamt stehen für die unterschiedlichen Anwendungsfälle drei Kunstharzformulierungen zur Verfügung. Alle sind nach Herstellerangaben auf nassem Untergrund applizierbar.
Sobald das Injektionsmittel an den Schalungswänden hervortritt, wird der Injektionsprozeß unterbrochen und die Schalung so umgesetzt, daß sie den vorinjizierten Bereich, z.B. bei der Injektion von Längs- und Querrissen sowie undichten Rohrverbindungen, auf einer entsprechenden Länge überdeckt. Auf diese Art und Weise ist über die mitgeführte Kamera eine ständige Kontrolle des Injektionsergebnisses möglich. Das Injektionsmittel wird in einer Kartusche vom Roboter mitgeführt. Wenn erforderlich, können die injizierten Bereiche nachträglich abgefräst bzw. abgeschliffen werden.
Die Sanierung schadhafter Einbindungen von Anschlußkanälen, bis auf solche aus PE, ist beim SikaRobot-System auch durch das Setzen einer Hastelloy-Schale (Bild 5.2.1.6.2-5) möglich.
Roboterverfahren werden nicht nur als Ausbesserungsverfahren sondern auch als Injektions- und Abdichtungsverfahren eingesetzt (Bild 5.2.1.6.2-1) .
Im Zuge der Reparaturen mit Robotern sind folgende Maßnahmen zur Prüfung und Eigenüberwachung durchzuführen und zu dokumentieren [FI-IMS] :
- Reinigung, Inspektion und Vermessung der zu sanierenden Schadensstelle mit entsprechender Dokumentation
- Videobeobachtung der Fräsarbeiten und evtl. Fotodokumentation der aufgefrästen Schadensstelle
- Materialeingangskontrolle mit Angaben über die eingesetzten Harze, Topfzeiten und Mengenverhältnisse
- Temperaturmessung der Außenluft und des Harzes während der Erwärmung und der Verarbeitung
- Videobeobachtung der Sanierungsarbeiten und evtl. Fotodokumentation oder Kontrollvideo der sanierten Schadensstelle
- Dichtheitsprüfung der sanierten Schadensstelle
- Nachweis der Materialkennwerte.
