Fernwärmeversorgungssysteme
Fernwärme ist eine leitungsgebundene Energie und wird von einer zentralen Erzeugungsanlage (Heizzentrale), in der Regel einem Heizkraftwerk oder Heizwerk, erzeugt und mit Hilfe eines Druckerzeugers über Druckleitungen dem Verbraucher für Raumheizung, Wassererwärmung oder Produktionszwecke zugeführt und von dort aus wieder zum Heiz(kraft)werk zurückgeleitet [AGFW93].
Je nach Zentralisierung der Energieerzeugung bzw. Größe der Erzeugeranlage wird zwischen Fern- und Nahwärmeversorgung unterschieden. Im folgenden wird nur der Begriff Fernwärme verwendet.
Als Wärmeträger dient überwiegend Warmwasser (ca. 130°C) und zu einem geringeren Anteil Dampf (ca. 200°C) [Strad86], der noch in älteren städtischen Versorgungen auftritt und dessen Anteil ca. 20% der gesamten, vorhandenen Netzlänge beträgt [NN00j].
Dampfleitungen können auch künftig zum Transport von Prozesswärme unter bestimmten Voraussetzungen energetisch effizient sein.
|
Bild 6.2.2.4-1:
Nennweitenverteilung von Fernwärmeversorgungssystemen in der Bundesrepublik Deutschland [AGFW93] |
|
Bild 6.2.2.4-2:
Anwendungsbereich gebräuchlicher Fernwärmeleitungen [AGFW00] |
|
Bild 6.2.2.4-3:
Typische Ausbildung von Betonkanälen - Kanal mit Halbkreishaube nach DIN 1178 [DIN18178] |
|
Bild 6.2.2.4-4:
Typische Ausbildung von Betonkanälen - U-Kanal [AGFW93] |
|
Bild 6.2.2.4-5:
Typische Ausbildung von Betonkanälen - Kanal mit Winkelplattenbauweise (nichtbegehbar) [AGFW93] |
Die eigentliche Verteilung der Fernwärme erfolgt über Fernwärmeverteilungssysteme analog dem Wasserverteilungssystem (Bild 6.2.2.4-1) [ET4078]. Sie beginnen außerhalb der Heizzentrale und enden an der Hausstation. Sie werden in der Regel als Zweileiternetz mit je einer Vor- und Rücklaufleitung, in Ausnahmefällen auch als Dreileiternetz mit zwei Vorlaufleitungen verschiedenartiger Betriebsweise und einem Rücklauf oder als Vierleiter-System, bestehend aus parallel verlegten Zweileiternetzen, wobei ein Leitungspaar gleitend zur Außentemperatur und das andere mit konstanter Temperatur betrieben wird, konzipiert und in Form von Verästelungsnetzen oder vernaschten Netzen (Abschnitt 1.1.1) ausgeführt [Glück85].
Wie bei den im Abschnitt 1.1.1 vorgestellten Wasserversorgungssystemen (Bild 6.2.2.4-1) unterscheidet man bei Fernwärmeversorgungssystemen ebenfalls zwischen Zubringer- bzw. Transportleitungen (200 ≤ DN/ID ≤ 1000) sowie den zum eigentlichen Fernwärmeverteilungssystem gehörenden Hauptleitungen (100 ≤ DN/ ID ≤ 300), Versorgungsleitungen (50 ≤ DN/ ID ≤ 150) und Anschlussleitungen (20 ≤ DN/ ID ≤ 50) [Schmi02].
Die erforderliche Nennweite einer Fernwärmeleitung (Bild 6.2.2.4-1) wird in einer Optimierungsrechnung ermittelt. Bei einer Leitung größerer Nennweite stehen höheren Investitionen niedrigere Druckverluste und damit auch niedrigere Pumpenstromaufwände gegenüber [AGFW93].
Fernwärmeleitungen müssen neben der Beförderung des Wärmeträgers gleichzeitig Funktionen zur Vermeidung von Wärmeverlusten und des Einflusses des betriebsbedingten hohen Temperaturunterschiedes zwischen Wärmeträger und der Umgebung übernehmen. Hierbei handelt es sich um Rohrleitungen, welche den Feuchtigkeits- und Festigkeitsschutz sowie die Wärmedämmung einschließen [AGFW93].
In einem Fernwärmeverteilungssystem sind, wie bei anderen Verteilungssystemen auch, Rohrleitung steile in Form von Armaturen [AGFW428] und Formstücken erforderlich (Abschnitt 1.1.1). Um Wärmeverluste in diesen Bereichen zu vermeiden, sind sie ebenfalls mit einer Wärmedämmung zu versehen.
Zum Auf- und Ausbau von Rohrnetzen für eine sichere und wirtschaftliche Fernwärmeverteilung stehen - je nach Anwendungsgebiet - verschiedene Rohrsysteme und Verlegeverfahren zur Verfügung. Dabei werden standardisierte Rohrsysteme verwendet (Bild 6.2.2.4-2), um eine möglichst zügige Bausausführung zu realisieren und damit die Störungen des Verkehrs und der Anwohner so gering wie möglich zu halten [AGFW00].
Die mit Abstand kostengünstigsten Rohrsysteme sind Freileitungen im Gebäude (Leitungen im Keller oder im Leitungsgang), da Erdarbeiten entfallen und nur einfache, nachzudämmende Stahlrohre, anstelle werkmäßig vorgedämmter Fernwärmerohre benötigt werden.
Sie werden nachfolgend nicht weiter betrachtet.
Die Verlegung von Fernwärmeleitungen in begehbaren oder nichtbegehbaren Kanalsystemen in Form von in offener Bauweise verlegten Betonkanälen oder Stahlbetonkonstruktionen in Hauben-, U- oder Winkelplattenbauweise gehörte lange Zeit zum Standardverlegeverfahren (Bild 6.2.2.4-3) (Bild 6.2.2.4-4) (Bild 6.2.2.4-5), wird aber auf Grund der hohen Bau-, Betriebs- und Wartungskosten heute nur noch selten bzw. in Sonderfällen durchgeführt.
Die weiteste Verbreitung haben Kunststoffmantelrohre in Verbundbauweise (KMR) (Bild 6.2.2.4-6) (Bild 6.2.2.4-7) [AGFW401], auch Kunststoffverbundmantelrohre genannt, gefunden (Tabelle 6.2.2.4-1) [NN99k].
|
Bild 6.2.2.4-6:
Kunststoffmantelrohre (KMR) - KMR mit Überwachungsadren zur Leckortung [FI-Manne] |
Bild 6.2.2.4-7:
Kunststoffmantelrohre (KMR) - KMR in Doppelrohrausführung [FI-isopl] |
Kunststoffmantelrohre (KMR) in Anlehnung an [AGFW00]
| Kurzbeschreibung | Starres Verbundrohrsystem mit Stahlmediumrohr, PUR-Hartschaumisolierung und PE-Mantelrohr |
| Temperatur / Druck | 120°C Dauerbetriebstemperatur / 140°C Spitzentemperatur 16, 25 bis (40) bar |
| Nennweiten | DN/ID 20 bis ≤ DN/ID 1000 |
| Lieferlängen | 6 m bis 16 m Rohrstangen |
| Besonderheit | Bis etwa DN/ID 150 auch als Doppelrohrsystem (Bild 6.2.2.4-7) |
Kunststoffmantelrohre bestehen nach DIN EN 253 [DINEN253] "aus Mediumrohr, Dämmstoff und Mantelrohr" (Bild 6.2.2.4-8) (Bild 6.2.2.4-9). Der kraftschlüssige Verbund wird durch den Dämmstoff realisiert.
|
Bild 6.2.2.4-8:
Metallmediumrohre (MMR) - Flexibles MMR mit Mediumrohr aus Weichstahl [FI-isopl] |
Bild 6.2.2.4-9:
Metallmediumrohre (MMR) - Flexibles MMR in Doppelrohrausführung mit Mediumrohren aus Kupfer [FI-Lögst] |
Das Mediumrohr (dieser Begriff ist irreführend und sollte ersetzt werden durch Produktrohr) dient zum Transport des Wärmeträgers Wasser.
Das Stahlmediumrohr muss entweder ein geschweißtes Rohr mit Qualität nach ISO 9330-1 [ISO9330-2] oder ein nahtloses Rohr mit Qualität nach ISO 9329-2 [ISO9329-2] sein.
Anstelle des Stahlmediumrohres sieht die DIN EN 254 [DINEN254] ein Rohr aus duktilem Gusseisen vor, dass jedoch heute nicht mehr gefertigt wird bzw. zur Anwendung gelangt [FI-Mannh].
Das Mantelrohr ist "ein Rohr, das den Dämmstoff und das Mediumrohr vor Grundwasser, Feuchtigkeit und mechanischer Beschädigung schützt" [DINEN253].
Beim KMR besteht das Mantelrohr aus Polyethylen mit den in (Tabelle 6.2.2.4-2) angegebenen Mindestnennweiten und -wanddicken nach DIN EN 253 [DINEN253]. Das AGFW-FVGW-Arbeitsblatt FW 401 [AGFW401] sieht im Gegensatz zu den hier dargestellten Mindestwanddicken aus Sicherheitsgründen um ca. 1/3 erhöhte Werte vor, so beträgt z.B. die kleinste Wanddicke 3,0 mm statt 2,2 mm.
Maße der Mantelrohre aus Polyethylen bei werkmäßig gedämmten Verbundmantelrohrsystemen für erdverlegte Fernwärmenetze nach DIN EN 253 [DINEN253]
| Durchmessergruppe | Mindestnennweite DN/OD |
Mindestwanddicke [mm] |
|---|---|---|
| 1 | 75 90 110 125 140 160 180 200 |
2,2 2,2 2,5 2,5 3,0 3,0 3,0 3,2 |
| 2 | 225 250 280 315 355 400 |
3,5 3,9 4,4 4,9 5,6 6,3 |
| 3 | 450 500 560 630 710 800 |
7,0 7,8 8,8 9,8 11,1 12,5 |
Die Wärmedämmung hat die Aufgabe Wärmeverluste zu reduzieren.
Als Dämmmaterial zur Umhüllung des Mediumrohres gelangt seit 1990 hauptsächlich FCKW-freier (als Treibmittel dienen Cyclopenthan (Feuerzeuggas) oder CO2) Polyurethan-Hartschaum (PUR) zur Anwendung [FI-Mannh], "der in den Hohlraum zwischen Mediumrohr und Mantelrohr injiziert oder gegossen wird" [DINEN253]. In diesem Fall bezeichnet man diese Rohre nach DIN EN 253 [DINEN253] als "injizierte (gegossene) Verbundrohre".
Eine weitere Variante stellt das sogenannte "Konti-Rohr-Verfahren" [FI-Lögst] dar. Hierbei handelt es sich um ein Fertigungsverfahren, bei dem der PUR-Schaum werkseitig kontinuierlich auf das rotierende Stahlmediumrohr aufgespritzt wird und die Schichtdicke in Abhängigkeit der erforderlichen Wärmedämmung leicht variiert werden kann.
Stahlmantelrohre (SMR) (Bild 6.2.2.4-10) (Bild 6.2.2.4-11) (Tabelle 6.2.2.4-3) sind für alle in der Praxis vorkommenden Anwendungsbereiche und Betriebsbedingungen geeignet, werden aber überwiegend für hohe Temperaturen und Drücke des Wärmeträgers sowie bei besonderen bzw. schwierigen Verlegebedingungen eingesetzt, wie z.B.:
- schwierige Baugrundverhältnisse
- Feuchtgebiete oder Uferbereiche
- Bergsenkungsgebiete
- Flussquerungen (Düker)
- Querungen von Verkehrswegen (z.B. Autobahnen, Schnellstraßen, Bahnlinien)
- unter Straßen und unter Betonflächen mit sehr geringer Überdeckungshöhe
Auf Grund der hohen Kosten finden sie heute nur noch in den o.g. Fällen Anwendung.
|
Bild 6.2.2.4-10:
Stahlmantelrohr (SMR) - Ansicht [FI-Isobr] |
Bild 6.2.2.4-11:
Stahlmantelrohr (SMR) - Aufbau [FI-Isobr] |
Stahlmantelrohre (SMR) in Anlehnung an [FI-Isobr]
| Kurzbeschreibung | Starres, nicht selbstkompensierendes Rohrsystem mit Stahlmediumrohr, Schalen aus hochsilikaten Mineralwoll- oder Steinwollfasern, die mit Edelstahlbändern auf dem Stahlmediumrohr befestigt werden und Stahl-Mantelrohr mit PE- bzw. Bitumenbeschichtung |
| Temperatur / Druck | Standardausführungen bis 300°C, Sonderausführungen bis 500°C Betriebstemperatur Bis 64 bar |
| Nennweiten | DN/ID 25 bis DN/ID 1200 |
| Lieferlängen | Bis 16 m Rohrstangen |
| Besonderheit | Evakuierung des Ringraumes zwischen Medium- und Mantelrohr durch Dauervakuumhaltung und -kontrolle (Druck ca. 1 mbar); dadurch Überprüfungsmöglichkeit der Dichtheit und der Wärmedämmleistung des Systems |
Flexible Fernwärmeleitungen mit Metallmediumrohren (MMR) (Tabelle 6.2.2.4-4) bestehen, um sie flexibel zu gestalten, aus einem gewellten Metallrohr aus Kupfer oder Edelstahl (Bild 6.2.2.4-12) oder bei kleineren Durchmessern (≤ DN/ ID 32) auch aus geraden, d.h. nicht gewellten bzw. glatten Mediumrohren aus dünnwandigem Weichstahl (Bild 6.2.2.4-8) (Bild 6.2.2.4-9).
| Kurzbeschreibung | Flexible Verbundrohrsysteme mit Weichstahl-, Edelstahl- bzw. Kupfer-Mediumrohren, vorwiegend PUR-Schaumisolierung und PE-Mantelrohr | |
| Temperatur / Druck | 120°C bis 130°C, gewellte Systeme mit Edelstahl-Mediumrohr bis 150°C 16 bar bis 25 bar |
|
| Nennweiten | Gerade (nicht gewellte) Systeme | Weichstahl-Mediumrohr: bis etwa DN/OD 28 Kupfer-Mediumrohr: bis etwa DN/OD 35 |
| Gewellte Systeme(vergleichbare Nennweite DN/ID) | Edelstahl-Mediumrohr: von DN/ID 20 bis DN/ID 150 Kupfer-Mediumrohr: von DN/ID 20 bis DN/ID 50 |
|
| Lieferlängen | Gerade Systeme bis etwa DN/OD 35 als Rollenware bis 125 m (Tabelle 6.2.2.4-6), darüber hinaus ab DN/OD 42 auch als Rohrstangen bis 12 m; gewellte Systeme als Rollenware bis 800 m (Tabelle 6.2.2.4-5) | |
| Besonderheit | Im unteren Durchmesserbereich bei geraden Systemen (bis DN/OD 28) auch als Doppelrohrsystem (Bild 6.2.2.4-9) | |
Technische Daten (gerader Systeme) am Beispiel von isoflex® bzw. isocu®-Flexrohren [FI-isopl]
| Typ |
Mediumrohr Nennweite DN/OD |
Mantelrohr Nennweite DN/OD |
Gewicht [kg/m] |
Kleinster zulässiger elastischer Biegeradius [m] |
Lieferlänge [m] |
|---|---|---|---|---|---|
| Mediumrohr aus Stahl (isoflex®-Flexrohr) | |||||
| Isoflex I | 20 | 65 | 1,50 | 0,8 | 24 |
| Isoflex II | 28 | 75 | 2,10 | 0,8 | 24 |
| Mediumrohr aus Kupfer (isocu®-Flexrohr) | |||||
| Isocu I | 22 | 65 | 1,30 | 0,8 | 25 bis 125 |
| Isocu II | 28 | 75 | 1,65 | 0,8 | 25 bis 125 |
Technische Daten (gewellter Systeme) am Beispiel von Flexwell-Fernheizkabeln® [FI-Brugg]
| Typ |
Vergleichbare Nennweite DN/ID |
Außendurchmesser DN/OD |
Gewicht [kg/m] |
Kleinster zulässiger elastischer Biegeradius [m] |
Max. Lieferlänge [m] |
|---|---|---|---|---|---|
| 30/91 30/116 39/116 |
25 25 32 |
95 121 121 |
3,9 5,4 5,7 |
1,0 1,2 1,2 |
800 500 500 |
| 39/148 60/148 75/171 |
32 50 65 |
156 156 178 |
8,6 9,1 12,2 |
1,5 1,5 2,0 |
500 500 500 |
| 98/171 98/220 127/220 |
80 80 100 |
178 233 233 |
12,8 19,3 19,8 |
2,0 4,0 4,0 |
500 270 270 |
| 127/310 147/220 147/310 |
100 125 125 |
313 233 313 |
29,0 20,3 29,5 |
6,0 4,0 6,0 |
100 270 100 |
| 200/310 | 150 | 313 | 33,2 | 6,0 | 100 |
Aufbau eines flexiblen MMR mit gewelltem Metallmediumrohr am Beispiel des Lexwell-Fernheizkabels® [FI-Brugg]
Gewellte MMR bezeichnet man im allgemeinen Sprachgebrauch auch als "Fernheizkabel" (FHK), da sie sehr biegsam sind und als praktisch "endlose" Rollenware geliefert werden können. Sie erfüllen die Forderungen nach einem durchgehenden Korrosionsschutz ohne Muffen und weisen eine hohe Zugfestigkeit auf. Für den Anschluss werden besondere Formstücke benötigt [FI-Mannh].
Ein Vertreter dieses Fernwärmerohrsystems ist z.B. das Flexwell-Fernheizkabel® (Bild 6.2.2.4-12) (Tabelle 6.2.2.4-5), dessen Zugfestigkeit bis 25 kN z.B. für Typ FHK 200/310 beträgt. Auf Grund dieser Eigenschaft eignet sich dieses Rohrsystem besonders für die direkte Erdverlegung mit Verfahren des grabenlosen Leitungsbaus nach dem Prinzip des Rohrvortriebes durch Einziehen.
Der Stahlmantel der Flexwell-Fernheizkabel® besitzt, bedingt durch seine gewellte Form, eine hohe Steifigkeit und ist somit in der Lage, hohe statische Belastungen aufnehmen zu können, so dass für diese Fernwärmeleitungen eine wirksame Mindestüberdeckungshöhe von nur 0,2 m bei SLW 60 ausreichend ist [FI-Brugg].
Nach Herstellerangaben [FI-Brugg] können Flexwell-Fernheizkabel® Bodenbewegungen in hohem Maße abfangen. Dies prädestiniert ihren Einsatz für die Verlegung in wenig standfesten Böden, wie z. B. in Küstennähe, im Bereich von Flüssen oder Seen und sogar in Moorböden.
Fernwärmeleitungen mit Kunststoffmediumrohren (PMR) [AGFW420] (Tabelle 6.2.2.4-6) in flexibler Ausführung sind im Gegensatz zu den flexiblen Metallmediumrohren (MMR) leichter und einfacher zu biegen (Bild 6.2.2.4-13) (Bild 6.2.2.4-14). Ihr Einsatzbereich erstreckt sich auf Anschlussleitungen aber auch auf Versorgungsleitungen in Fernwärmenetzen mit niedrigen Betriebstemperaturen (≤ 90°C) und -drücken (≤ 5 bar) [AGFW421].
|
Bild 6.2.2.4-13:
Kunststoffmediumrohre (PMR) - PMR [FI-isopl] |
Bild 6.2.2.4-14:
Kunststoffmediumrohre (PMR) - PMR in Doppelrohrausführung [FI-Lögst] |
Flexible Kunststoffmediumrohre (PMR) [AGFW00]
| Kurzbeschreibung | Flexible/starre Verbundrohrsysteme mit PE-X bzw. PB-Mediumrohr mit Sauerstoffdiffusionssperrschicht, vorwiegend PUR-Schaumisolierung und PE-Mantelrohr |
| Temperatur / Druck | 80°C Dauerbetriebstemperatur / 90°C Spitzentemperatur 5 bar |
| Nennweiten | Bis etwa DN/OD 110 |
| Lieferlängen | Als Rollenware bis 360 m (Tabelle 6.2.2.4-6) ; darüber hinaus ab DN/OD 63 auch als Rohrstangen bis 12 m |
| Besonderheit | Im unteren Durchmesserbereich auch als Doppelrohrsystem (Tabelle 6.2.2.4-6) |
Technische Daten von isopex®-Flexrohren [FI-isopl]
| Typ | Mediumrohr Nennweite DN/OD |
Mantelrohr Nennweite DN/OD |
Gewicht [kg/m] |
Kleinster zulässiger Biegeradius [m] |
Lieferlänge [m] |
|---|---|---|---|---|---|
| Ausführung als Einzelrohr | |||||
| H-20 H-25 H-32 H-40 H-50 H-63 H-75 H-90 H-110 |
20 25 32 40 50 63 75 90 110 |
65 75 75 90 110 125 140 160 180 |
0,75 0,95 1,05 1,40 2,10 2,75 3,60 4,70 6,25 |
0,8 0,8 0,8 0,8 0,9 1,0 1,1 1,2 1,4 |
24 bis 360 24 bis 360 24 bis 360 24 bis 250 24 bis 150 24 bis 100 24 bis 100 24 bis 50 24 bis 50 |
| Ausführung als Doppelrohr | |||||
| H-20+20 H-25+25 H-32+32 H-40+40 H-50+50 H-63+63 |
20/20 25/25 32/32 40/40 50/50 63/63 |
75 90 110 125 160 180 |
1,00 1,35 2,00 2,60 4,10 5,40 |
0,9 0,9 0,9 1,0 1,2 1,4 |
24 bis 360 24 bis 250 24 bis 150 24 bis 100 24 bis 50 24 bis 50 |
Nachträgliche Anschlüsse an in Betrieb befindliche PMR sind möglich, aber aufwändig.
Flexible Rohrsysteme mit Kunststoffmediumrohren (PMR) bzw. Metallmediumrohren (MMR) werden hauptsächlich für Versorgungs- und insbesondere Anschlussleitungen mit üblicherweise 100 m bis 200 m bzw. 8 m bis 15 m Länge [Schmi02] in Abhängigkeit der erforderlichen Einsatzparameter, wie beispielsweise Druck oder Temperatur, eingesetzt [Kraus01]. Vorteilhaft sind bei diesen Rohrsystemen gegenüber den KMR die durch die Verlegung von der Rolle bedingte hohe Verlegegeschwindigkeit und geringe Anzahl an Rohrverbindungen sowie die flexible Leitungsführung und der geringe Aufwand für Kompensationsmaßnahmen.
Die Verbindung von Fernwärmeleitungen erfolgt bei Stahlmediumrohren durch Schweißen [AGFW446], bei Kupfermediumrohren durch Löten oder Presskupplung, bei Kunststoff-Mediumrohren mittels Kompressions- oder Presskupplung. Des weiteren können auch Mediumrohre verschiedener Werkstoffe und gleichen Durchmessers in Abhängigkeit der Werkstoffeigenschaften mit den o.g. Methoden verbunden werden [FI-Lögst].
Die Verlegung der Rohrsysteme KMR, MMR und PMR bis DN/ID 800 in offener Bauweise erfolgt aus Wirtschaftlichkeitsgründen seit 1980 in Form der sogenannten "Flachverlegung" ohne Entlüftungs- und Entleerungsarmaturen [AGFW401].
|
Bild 6.2.2.4-15:
Prinzipielle Darstellung einer Flachverlegung von KMR [AGFW401] |
|
Bild 6.2.2.4-16:
Werkseitig vorgefertigter Stahlschacht [FI-FWFer] |
Unter Flachverlegung versteht man eine oberflächennahe Verlegung mit minimaler Überdeckung, ohne definiertes Gefälle sowie einer Trasse und Gradiente, die sich am Geländeprofil bzw. kreuzenden Leitungen orientieren (Bild 6.2.2.4-15).
Bei der Vielzahl von Hoch- und Tiefpunkten im flachverlegten Rohrnetz ist eine vollständige Entleerung und Entlüftung der Rohrleitung nicht möglich.
Sofern die Leitungsführung nicht mehr als 3° von der Horizontalen abweicht, werden die an den Hochpunkten vorhandenen Lufteinschlüsse im Netzbetrieb "mitgerissen" und durch eine Teilstromentgasung abgebaut [AGFW401].
Die notwendigen Regel- und Absperrarmaturen werden für KMR mit DN/ID ≤ 300, MMR und PMR bei der Flachverlegung in der Regel ohne Schachtbauwerke als wartungsarme Erdeinbauarmaturen ausgeführt (Bild 6.2.2.4-15) [FI-Mannh].
Schachtbauwerke für die Unterbringung von Dehnungsausgleichern, Armaturen etc. werden nur bei als Transportleitungen fungierenden KMR > DN/ID 300 und generell bei SMR, die in Gefälleverlegung mit mindestens 2 Promille eingebaut werden und immer an den Hoch- und Tiefpunkten Entlüftungs- und Entleerungseinrichtungen erfordern, angeordnet (Bild 6.2.2.4-17) (Bild 6.2.2.4-18) [FI-Mannh]. Diese Schächte werden in der Regel an den entsprechenden Hoch- und Tiefpunkten eingebaut und vor Ort betoniert, gemauert oder aus Fertigteilen montiert. Letztere werden mit allen erforderlichen Einbauten, wie beispielweise Regel-, Absperr-, Entlüftungs-, Entleerungs- und Kontrolleinrichtungen werkseitig vorgefertigt. Sie eignen sich auch zum Einbau in Böden mit hohem Grundwasserstand (Bild 6.2.2.4-16) [AGFW433].
|
Bild 6.2.2.4-17:
Beispiele für Schachtbauwerke im Fernwärmeverteilungsnetz [AGFW93] - Armaturenschacht |
Bild 6.2.2.4-18:
Beispiele für Schachtbauwerke im Fernwärmeverteilungsnetz [AGFW93] - U-Dehnungsausgleicher |
Bei Fernwärmeleitungen können die Temperaturschwankungen erheblich sein, da das in den Rohrleitungen transportierte Medium eine verhältnismäßig hohe Temperatur hat, die z.B. bei Stahlmantelrohrsystemen Spitzen bis zu 500°C erreichen kann [FI-Isobr].
Bei nicht selbstkompensierenden Rohrsystemen, insbesondere KMR und SMR, treten Spannungen und Dehnungen auf, die eine geeignete statische Rohrauslegung sowie den Einsatz von Dehnungsausgleichern oder Kompensatoren erforderlich machen (Bild 6.2.2.4-19).
Dehnungsausgleicher sind Konstruktionselemente zur Aufnahme thermisch bedingter Dehnungen.
Fabrikmäßig hergestellte Dehnungsausgleicher werden als Kompensatoren bezeichnet.
Wird die Dehnungsaufnahme ohne Kompensatoren allein durch die Führung der Leitung in L-, Z- oder U-Form (Bild 6.2.2.4-18) erreicht, spricht man von natürlichem Dehnungsausgleich (Bild 6.2.2.4-20) (Bild 6.2.2.4-21).
|
Bild 6.2.2.4-19:
Dehnungsdiagramm für Rohrleitungen aus Stahl in Abhängigkeit von der Temperaturdifferenz [Girna68a] |
Bild 6.2.2.4-20:
Möglichkeiten des natürlichen Dehnungsausgleichs - Wirkungsweise eines U-Dehnungsausgleichers [AGFW93] - Verschiebung der Rohrachse im Betriebszustand |
Bild 6.2.2.4-21:
Möglichkeiten des natürlichen Dehnungsausgleichs - Wirkungsweise eines U-Dehnungsausgleichers [AGFW93] - Verschiebung der Rohrachse durch Vorspannung |
|
Bild 6.2.2.4-22:
Beispielhafte Ausführung eines Axialkompensators für SMR [FI-Isobr] |
Bild 6.2.2.4-23:
Auflagermöglichkeiten von Stahlmediumrohren bei SMR zur Aufnahme von Dehnbewegungen - Axialrollenlager [FI-FWFer] |
Bild 6.2.2.4-24:
Auflagermöglichkeiten von Stahlmediumrohren bei SMR zur Aufnahme von Dehnbewegungen - Axialgleitlager [AGFW93] |
Sofern für diese kein ausreichender Platz zur Verfügung steht, können zur Dehnungsaufnahme bei SMR auch Axialkompensatoren eingesetzt werden (Bild 6.2.2.4-22). In diesem Fall werden die Dehnbewegungen des Stahlmediumrohres innerhalb des Mantelrohres aufgenommen, wobei das Mediumrohr in der Regel auf Axialrollen- oder -gleitlagern montiert ist, die eine Wärmedämmung zum Mediumrohr erhalten (Bild 6.2.2.4-23) (Bild 6.2.2.4-24).
Im Allgemeinen wird der natürliche Dehnungsausgleich dem Einbau von Kompensatoren vorgezogen, da damit, auch im Hinblick auf die Instandhaltung, die wirtschaftlich günstigere Lösung vorliegt.
Bei den geraden Systemen der MMR werden die plastischen Eigenschaften der Weichstahl-Mediumrohre zur Dehnungsaufnahme ausgenutzt, so dass - im Gegensatz zu KMR und SMR - als einzige Maßnahme zur Kompensation die Verlegung im Bogen (Durchmesser des Dehnungsbogen ca. 80 m) ausreicht [FI-Mannh].
Die Wellrohrsysteme der MMR sind, da sie ähnlich einem Kompensator geformt sind, vollständig selbstkompensierend, so dass bei diesem System keine Maßnahmen zur Kompensation vorgesehen werden müssen.
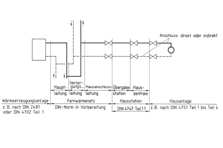
Die privaten oder industriellen Verbraucher sind über sogenannte Hausstationen innerhalb der Gebäude an das Fernwärmenetz angeschlossen.
Erläuterung einer Hausstation innerhalb eines Fernwärmeversorgungssystems nach DIN 4747-1 [DIN4747]
Die Hausstation besteht aus der Übergabestation und der Hauszentrale. Beide können baulich getrennt oder in einer Einheit zusammengefasst sein [DIN4747], sie wird dann als Kompaktstation bezeichnet und enthält nach Bedarf auch die Komponenten für die Trinkwassererwärmung [AGFW509] (Bild 6.2.2.4-25).
Für die Verlegung von Fernwärmeleitungen in geschlossener Bauweise gibt es noch keine speziellen Normen und Regelwerke.
Bei der Verwendung der verschiedenen Rohrsysteme für die grabenlose Verlegung sind folgende Aspekte zu beachten:
- Fernwärmeleitungen, die aus Stahlrohrschüssen bestehen (z.B. KMR und SMR), welche zu einem Rohrstrang verschweißt werden müssen, können nur als kompletter Strang in das Bohrloch bzw. Schutzrohr eingebaut werden.
- Fernwärmeleitungen mit Kunststoffummantelungen (z.B. KMR, MMR, PMR) sind sehr empfindlich gegen äußere Beschädigungen und ertragen keine hohen Vortriebskräfte oder -schläge, wie sie beim Einpressen, Einschieben oder Einrammen auftreten.
- Besonders empfindlich sind die Rohrverbindungen der Kunststoffmantelrohre (KMR). Sie erfordern gegebenenfalls einen speziellen Schutz.
Aus diesen Gründen werden KMR, SMR, MMR und PMR bei Anwendung des grabenlosen Leitungsbaus in der Regel nur in ein Schutzrohr aus Stahl oder Beton (Abschnitt 2.1.2.3) bzw. bei direkter Erdverlegung in ein durch Verfahren mit Verdrängungshammer oder mittels Spülbohrverfahren hergestelltes Bohrloch eingezogen.
Spülbohrverfahren mit Flüssigkeitsspülung sind in diesem Anwendungsfall prädestiniert, da - insbesondere bei gekrümmter Linienführung - die im Bohrloch befindliche Bentonituspension den Einziehvorgang durch ihre Schmierwirkung unterstützt und somit die erforderlichen Einziehkräfte reduziert.
Das Einziehen in Bohrlöcher erfolgt bei Mediumrohren aus Stahl am Stahlrohr (z.B. KMR, MMR). Bei KMR entsteht dabei eine Scherbeanspruchung zwischen Mediumrohr und PUR-Schaum. Für diese Beanspruchung lässt DIN EN 253 [DINEN253] einen Grenzwert von 0,12 N/mm2 zu. Dieser Wert ist hinreichend hoch, so dass ein Abreißen beim Einziehen ausgeschlossen werden kann.
Bei Verbundrohren mit Mediumrohren aus Kunststoff (PMR) und großen Vortriebslängen müssen die Zugkräfte auf Medium- und Mantelrohr verteilt werden, da der Kunststoff nur eine geringe Zugfestigkeit besitzt [Schmi02].
