Kanäle und andere Leitungen in öffentlichen Flächen
|
Animation 1.11-1:
Ver- und Entsorgungsleitungen im Straßenquerschnitt [Quelle: STEIN Ingenieure GmbH]
|
Bild 1.11-1:
Überblick über typische unterirdische Leitungsarten [Quelle: STEIN Ingenieure GmbH] |
Bild 1.11-2:
Erdverlegte Leitungen in New York um 1916 [Boegl69] |
Einen nicht unwesentlichen Erschwernisfaktor können bei der Sanierung von Kanalisationen benachbarte oder kreuzende Versorgungsleitungen vom Fernmeldekabel bis zur Fernwärmeleitung darstellen (Animation 1.11-1) .
Ihre Lage gegenüber dem defekten Kanal, ihr baulicher Zustand und die Beschaffenheit der sie umgebenden Leitungszone sind deshalb wichtige Kriterien für die Wahl des jeweiligen Sanierungsverfahrens (Abschnitt 5) , um Folgeschäden zu vermeiden.
Die Art, Anzahl und Verteilung der Leitungen, die sich in einem Straßenquerschnitt befinden, sind in erster Linie von ortsspezifischen Gegebenheiten, wie Straßenbreite, Entwässerungsverfahren, Anlieger und Bebauung abhängig.
Einen Überblick über typische innerstädtische Leitungsarten vermittelt (Bild 1.11-1) , wobei sowohl öffentliche als auch nichtöffentliche Leitungen erfaßt sind.
Als sich die Städte zur Ausführung einer Kanalisation entschlossen, bestand in der Regel bereits seit einigen Jahren eine Versorgung mit Gas und Wasser, wobei die dafür notwendigen Rohrleitungen nicht immer nach einheitlichen Gesichtspunkten verlegt und erfaßt worden waren. Beim Bau der in jedem Fall tieferliegenden Abwasserkanäle traten deshalb insbesondere in den engen Straßen der Altstädte oftmals Schwierigkeiten auf, da es nicht möglich war, in jedem Fall den gewünschten Sicherheitsabstand einzuhalten, so daß Bodenbewegungen zu Undichtigkeiten der Rohrverbindungen oder gar zum Bruch der Leitungsrohre führten. Nach Herstellung des Abwasserkanals war man deshalb oftmals gezwungen, eine teilweise Umlegung der Gas- und Wasserleitung vorzunehmen [Frühl10] . Ein Extrembeispiel dieser Situation aus der Stadt New York im Jahr 1916 zeigt (Bild 1.11-2) .
Um diese Schwierigkeiten zu umgehen, bemühte man sich relativ frühzeitig, die Leitungen nach entsprechenden Regeln im Straßenquerschnitt anzuordnen (Bild 1.11-3) .
- Bei Straßen mäßiger Breite und geringer Verkehrsdichte war es um 1890 üblich, den Abwasserkanal in die Mitte, die Wasserleitung unter den rechten und die Gasleitung unter den linken Gehweg zu legen (Bild 1.11-3) .
- Bei breiten Straßen wurde empfohlen, unter jedem Gehweg eine Gas- und Wasserleitung anzuordnen (Bild 1.11-3) .
- Bei sehr breiten Straßen kam eine Verteilung entsprechend (Bild 1.11-3) bzw. (Bild 1.11-3) zur Anwendung.
- Bei größerer Fahrbahnbreite wurden i.d.R. je zwei Leitungen (Doppelleitungen) für Gas, Wasser und Abwasser mit einer Anordnung entsprechend (Bild 1.11-3) , (Bild 1.11-3) oder (Bild 1.11-4) vorgesehen.
Bild 1.11-3:
Anordnung von Leitungen im Straßenquerschnitt bei Neuverlegung im Jahre 1890 in Deutschland [Dürm90] |
Bild 1.11-4:
Leitungsanordnung bei größerer Fahrbahnbreite im Jahre 1910 in Deutschland [Frühl10] |
Allgemeingültige Regeln wurden erstmalig im Jahre 1931 mit der DIN 1998 "Richtlinien für die Einordnung und Behandlung der Gas-, Wasser-, Kabel- und sonstigen Leitungen und Einbauten bei der Planung öffentlicher Straßen" herausgegeben (2. Ausgabe 1940, 3. Ausgabe 1941).
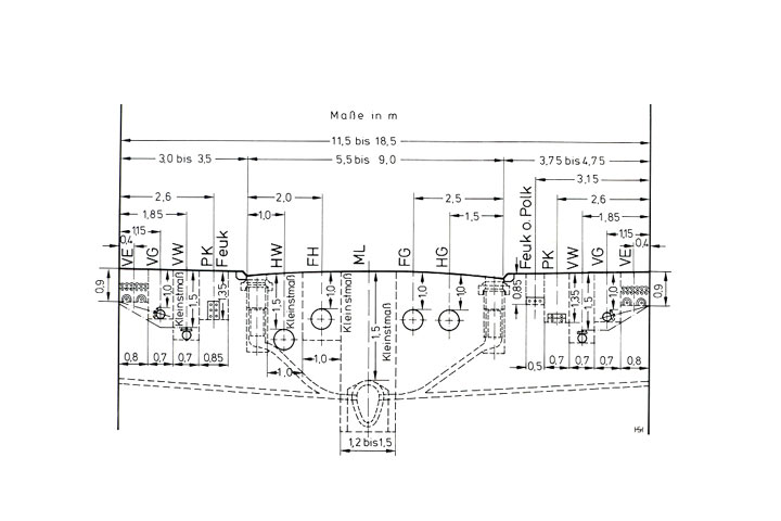
Die in dieser Norm vorgenommene Verteilung und Tiefenlage der Ver- und Entsorgungsleitungen im Straßenquerschnitt, die im wesentlichen auf der oben angeführten Praxis basierten, vermitteln (Tabelle 1.11-1) und (Bild 1.11-5) . Bei sehr breiten Gehwegen empfahl die Norm ebenfalls in diesen die Abwasserkanäle unterzubringen.
Leitungsverteilungsplan nach DIN 1998 (05.41)
| Linke Gehbahn | Straße Breite in m |
Rechte Gehbahn | ||||||||||||||||
|---|---|---|---|---|---|---|---|---|---|---|---|---|---|---|---|---|---|---|
| Leitungen unter Gehbahn | Leitungen unter Fahrbahn |
Leitungen unter Fahrbahn |
Leitungen unter Gehbahn | |||||||||||||||
| VE | VG | VW | PK | FeuK | VG | HW | FH | Straße | Fahr− bahn |
Geh− bahn |
FG | HG | VW | Polk | PK | VW | VG | VE |
| Abstände in m von | Abstände in m von | |||||||||||||||||
| Straßenfluchtlinie | Bordsteinkante | Bordsteinkante | Straßenfluchtlinie | |||||||||||||||
| 0,40 | 1,15 | 1,85 | 3,50 | 2,50 | 1,30 | 2,80 | ≤ 15,50 |
≤ 15,50 |
≤5,00 | 2,75 | 1,75 | 2,50 | 3,50 | 1,85 | 1,15 | 0,40 | ||
| 0,40 | 1,15 | 1,85 | 2,60 | 3,15 | 1,00 | 2,00 | 15,00 bis 18,50 |
5,50 bis 9,00 |
4,75 | 2,50 | 1,50 | 3,15 | 2,60 | 1,85 | 1,15 | 0,40 | ||
| 0,40 | 1,15 | 1,85 | 2,60 | 3,15 | 1,00 | 2,00 | 14,50 bis 18,00 |
5,50 bis 9,00 |
4,50 | 2,50 | 1,50 | 3,15 | 2,60 | 1,85 | 1,15 | 0,40 | ||
| 0,40 | 1,15 | 1,85 | 2,60 | 3,15 | 1,00 | 2,00 | 14,00 bis 17,50 |
5,50 bis 9,00 |
4,25 | 2,50 | 1,50 | 3,15 | 2,60 | 1,85 | 1,15 | 0,40 | ||
| 0,40 | 1,15 | 1,85 | 2,60 | 3,15 | 1,00 | 2,00 | 13,50 bis 17,00 |
5,50 bis 9,00 |
4,00 | 2,50 | 1,50 | 3,15 | 2,60 | 1,85 | 1,15 | 0,40 | ||
| 0,40 | 1,15 | 1,85 | 2,60 | 3,15 | 1,00 | 2,00 | 13,00 bis 16,50 |
5,50 bis 9,00 |
3,75 | 2,50 | 1,50 | 3,15 | 2,60 | 1,85 | 1,15 | 0,40 | ||
| 0,40 | 1,15 | 1,85 | 2,60 | 1,00 | 2,00 | 12,50 bis 16,00 |
5,50 bis 9,00 |
3,50 | 2,50 | 1,50 | 2,60 | 1,85 | 1,15 | 0,40 | ||||
| 0,40 | 1,15 | 1,85 | 2,60 | 1,00 | 2,00 | 12,00 bis 15,50 |
5,50 bis 9,00 |
3,25 | 2,50 | 1,50 | 2,60 | 1,85 | 1,15 | 0,40 | ||||
| 0,40 | 1,15 | 1,85 | 2,60 | 11,50 bis 15,00 |
5,50 bis 9,00 |
3,00 | 2,60 | 1,85 | 1,15 | 0,40 | ||||||||
| a) 0,40 b) 0,40 |
a) 1,10 b) 1,15 |
a) 1,70 b) − |
a) − b) 1,95 |
11,00 | 5,50 | 2,75 | a) 0,40 b) 1,95 |
a) 1,75 b) 1,15 |
a) 1,15 b) − |
a) − b) 0,40 |
||||||||
| a) 0,40 b) 0,40 |
a) 1,10 b) 1,15 |
a) 1,70 b) − |
a) − b) 1,95 |
10,50 | 5,50 | 2,50 | a) 0,40 b) 1,95 |
a) 1,75 b) 1,15 |
a) 1,15 b) − |
a) − b) 0,40 |
||||||||
| a) 0,40 b) 0,40 |
a) 1,10 b) 1,15 |
a) 1,70 b) − |
a) − b) 1,95 |
10,00 | 5,50 | 2,25 | a) 0,40 b) 1,95 |
a) 1,75 b) 1,15 |
a) 1,15 b) − |
a) − b) 0,40 |
||||||||
| 0,40 | 1,15 | 9,50 | 5,50 | 2,00 | 0,40 | 1,20 | ||||||||||||
| 0,40 | 1,15 | 9,00 | 5,50 | 1,75 | 0,40 | 1,20 | ||||||||||||
| 0,40 | 1,1 | 8,50 | 5,50 | 1,50 | 1,25 | 0,40 | ||||||||||||
| 0,40 | 1,1 | 8,00 | 5,50 | 1,25 | 1,25 | 0,40 | ||||||||||||
| 0,40 | 1,1 | 7,50 | 5,50 | 1,00 | 1,25 | 0,40 | ||||||||||||
| VE: Stromleitungen für die Hausversorgung und die Hauptspeisekabel VG: Gasleitungen für die Hausversorgung VW: Wasserleitungen für die Hausversorgung FeuK: Kabel für Feuerwehr PolK: Kabel für Polizei PK: Postkabel und Postkabelkanalanlagen ML: Mischwasserleitungen (Entwässerungsleitungen) FG: Ferngasleitungen FH: Fernheizleitungen |
||||||||||||||||||
Zoneneinteilung in Gehwegen für die Unterbringung von Leitungen in Anlehnung an [DIN1998] (Table) [Quelle: STEIN Ingenieure GmbH]
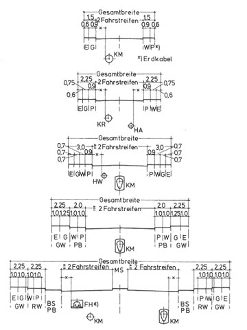
Im Jahre 1978 erfolgte eine vollständige Neubearbeitung der DIN 1998 unter dem Titel "Unterbringung von Leitungen und Anlagen in öffentlichen Flächen - Richtlinien für die Planung" [DIN1998] .
Bei dieser Neufassung sind neben der Anpassung an die in einem Zeitraum von mehr als 30 Jahren geänderten Verhältnisse insbesondere auch die Tendenz zum verstärkten Einsatz leitungsgebundener Energieträger in Verbindung mit den Forderungen des Umweltschutzes, der steigende Versorgungskomfort, die zunehmende Verdichtung der Versorgung und die Entwicklung neuer Kommunikationstechniken berücksichtigt worden.
Der daraus resultierende erhöhte Raumbedarf für die Unterbringung der Versorgungseinrichtungen führte dazu, daß zusätzlich zu den im Gehweg untergebrachten Leitungen der örtlichen Versorgung für die der übergeordneten Versorgung dienenden Anlagen auch die Fahrbahnen mitbenutzt werden.
Der zur Verfügung stehende Raum wurde wiederum in nach Breite und Tiefenlage gestaffelte Zonen eingeteilt, innerhalb derer die Anordnung der einzelnen Leitungen und sonstigen Einbauten dem jeweiligen Versorgungsträger überlassen bleibt (Bild 1.11-6) (Tabelle 1.11-2) .
Zoneneinteilung nach DIN 1998 (05.78) [DIN1998]
| Leitungsarten |
Zonen− bezeichnung |
Lage im Straßenquerschnitt |
Zonen−Regelbreite [m] |
Zonen−Überdeckung [m] |
|---|---|---|---|---|
|
Leitungen für Elektrizitätsversorgung |
E−Zone |
1. Zone von der Grundstücksgrenze aus gesehen 1) |
0,7 | 0,6 - 1,6 |
| Gasleitungen | G−Zone |
2. Zone von der Grundstücksgrenze aus gesehen |
0,7 | 0,6 - 1,0 |
| Wasserleitungen | W−Zone |
3. Zone von der Grundstücksgrenze aus gesehen |
0,7 | 1,0 - 1,8 |
|
Leitungen der Deutschen Bundespost (auch Fernmelde- und Signalkabel des Straßenbaulastträgers sowie Nachrichtenkabel für Polizei und Feuerwehr) |
P−Zone |
4. Zone von der Grundstücksgrenze aus gesehen(Gehwegbereich zum Fahrbahnrand hin) 2) |
0,7 |
0,5 - 0,6 oder ≥1,4 |
|
Abwasserleitungen: Mischwasserkanäle (KM) Schmutzwasserkanäle (KS) Regenwasserkanäle (KR) Abwasserdruckleitungen (HA) |
− |
Fahrbahnbereich (bei Verlegung im Gehweg ist hierfür eine eigene Zone vorzusehen) |
− | − |
| Fernwärmeleitungen (FW) | − |
Außerhalb der Fahrbahn. Bei Verlegung sollen Fernwärmeleitungen nicht in der Fahrbahnmitte angeordnet werden. 3) |
2,0 | 1,2 |
|
1) Innerhalb der E-Zone sollen die Kabel in vertikaler Richtung nach Verwendungszweck und Spannungsebenen geordnet werden. Die Leitungsanlagen sind an Straßenkreuzungen so zu führen, dass Kabel ohne Aufbrechen der Fahrbahn ausgewechselt werden können. Bei Übergängen (Unterquerungen) ist für späteren Bedarf eine begrenzte Reserve vorzusehen. 2) Bei Verlegung unter einer Tiefe von 1,1 m muss bis zur nächsten Lage ein Zwischenraum von mindestens 0,3 m Höhe verbleiben, um das Kreuzen anderer Leitungen zu ermöglichen. 3) Bei Annäherung (auch Kreuzung) von Fernwärmeleitungen an Wasserleitungen oder Kabel sind solche Abstände einzuhalten, dass keine unzulässigen thermischen Beanspruchungen auftreten können. Lässt sich dies nicht erreichen, so sind im gegenseitigen Einvernehmen andere geeignete Maßnahmen (z. B. zusätzliche Wärmedämmung der Fernwärmeleitungen, Kühleinrichtungen zur Wärmeabfuhr) zu treffen, die die Betriebssicherheit der Wasserleitungen bzw. Kabel sicherstellen. |
||||
Beispiele für die Unterbringung von Leitungen im Straßenquerschnitt nach DIN 1998 (05.78) [DIN1998]
Die Unterbringung von Abwasserleitungen erfolgt nach DIN 1998 [DIN1998] in der Fahrbahn gemäß (Bild 1.11-7) , bei Unterbringung im Gehweg ist eine eigene Zone vorzusehen.
Allgemein sind bei der Aufteilung des unterirdischen Bauraumes die gegenseitige Beeinflussung und der notwendige Arbeitsraum für Bau und Betrieb der Anlagen zu berücksichtigen.
Eine gegenseitige Behinderung der Nutzungen im öffentlichen Straßenraum soll, soweit irgend möglich, ausgeschlossen werden.
Beispielsweise sind bei der Annäherung von Fernwärmeleitungen an Wasserleitungen oder Kabel solche Abstände einzuhalten, daß keine unzulässigen thermischen Beeinflussungen auftreten können.
Die im Bereich öffentlicher Verkehrsflächen üblichen und grundsätzlich knapp bemessenen Abstände sind darauf zugeschnitten, mechanische, thermische oder elektrische Beeinflussungen auszuschließen, aber nicht darauf, bautechnische Behinderungen beim Errichten zusätzlicher Systeme oder beim Erweitern bestehender Systeme zu vermeiden.
Abstände, die bautechnische Behinderungen ausschließen, sind in Verkehrsflächen innerhalb geschlossener Ortschaften praktisch nicht mehr realisierbar. Vielmehr müssen die Abstände knapp gehalten werden, da der zur Verfügung stehende Raum außerordentlich stark belegt ist und vielerorts durch Ver- und Entsorgungsträger genutzt wird [Bächl96] .
Die in der DIN 1998 [DIN1998] vorgegebenen Zoneneinteilungen und -abmessungen stellen Idealvorstellungen dar, deren Realisierung in der Regel bei vorhandenen Netzen nicht vorausgesetzt werden kann.
Seit Jahrzehnten gewachsene Systeme werden ergänzt oder an alter oder anderer Stelle erneuert, wobei häufig eine Orientierung an örtlichen Gegebenheiten, nicht aber an der Norm stattfindet.
Alte Leitungen werden oftmals außer Betrieb genommen und verbleiben im Boden, wodurch zusätzlich zu einer Verknappung des ohnehin geringen Platzes für die Leitungsverlegung beigetragen wird.
Eine der Realität entsprechende Leitungsdokumentation ist meist nicht vorhanden, selbst die Besitzer der Leitungsnetze haben oftmals keine genaue Kenntnis über die Lage ihrer Leitungen.
Dies bedeutet, dass im unterirdischen Bauraum nicht generell von normgemäßer Anordnung der Leitungen ausgegangen werden kann.
Als Konsequenz für Arbeiten an Kanalisationen, die mit Aufgrabungen verbunden sind, ergibt sich, daß insbesondere im Gehwegbereich immer mit Fremdleitungen gerechnet werden muß. Hierbei sind insbesondere auch Stellen betroffen, an denen bei normgerechter Verlegung keine Fremdleitungen zu erwarten wären. Werden diese Leitungen beschädigt, kann dies zu erheblichen Beeinträchtigungen und Baukostensteigerungen insbesondere bei Erneuerungsmaßnahmen (Abschnitt 5.4) führen. In solchen Fällen müssen die entsprechenden Leitungsverwaltungen rechtzeitig über die jeweilige Baumaßnahme informiert werden, damit die gegenseitigen Beeinträchtigungen möglichst klein sind und der Schutz bei Schadensfällen gewährleistet ist.
Beziehen sich die o.a. Probleme auf weitgehend parallel verlegte Leitungen, so ist mit zusätzlichen Schwierigkeiten bei sich kreuzenden Leitungen zu rechnen. Dieses Problem konnte in der DIN 1998 [DIN1998] wegen seiner Vielschichtigkeit und seiner gegenseitigen Abhängigkeit nur durch allgemeine Hinweise erfaßt werden.
Beispiele für die Ausbildung von Leitungskreuzungspunkten bzw. der Sicherung parallel laufender Leitungen zeigen die (Bild 1.11-8) , (Bild 1.11-9) , (Bild 1.11-10) und (Bild 1.11-11) .
Bild 1.11-8:
Unterfangung einer kreuzenden Leitung mit Mauerwerkspfeiler in Anlehnung an [Frühl10] [Quelle: STEIN Ingenieure GmbH] |
Bild 1.11-9:
Planmäßige Rohrkreuzung in der Berliner Kanalisation um 1890 [Hobre84] |
Bild 1.11-10:
Planmäßige Rohrkreuzung in der Berliner Kanalisation um 1890 [Hobre84] |
Bild 1.11-11:
Unterfangung einer parallellaufenden Leitung mit Mauerwerkspfeiler in Anlehnung an [Frühl10] [Quelle: STEIN Ingenieure GmbH] |
Da die Problematik der Fremdleitungen ein hohes Schadenspotential aufweist, besteht bei jeder Tiefbaumaßnahme vor Beginn der Arbeiten die Verpflichtung zur Leitungserkundung.
DIN 18300 [DIN18300-Ca] , die auch Bestandteil der VOB Teil C ist, schreibt vor: "Wenn die Lage vorhandener Leitungen, Kabel, Dräne, Kanäle, Vermarkungen, Hindernisse und sonstige bauliche Anlagen nicht angegeben werden kann, sind diese zu erkunden."
Beschädigungen von fremden Leitungen im Zuge von Tiefbauarbeiten sind jedoch trotz dieser eindeutigen Vorschrift keine Seltenheit. Hierbei ist die überwiegende Anzahl von Beschädigungen nicht etwa auf Unachtsamkeit in der Baugrube zurückzuführen, sondern darauf, daß vor Beginn der Arbeiten keine Fremdleitungserkundung durchgeführt wurde. Als Ursache für dieses Versäumnis ergab eine -nicht repräsentative- Umfrage bei Bauunternehmungen, daß entweder im Bereich der Baustelle keine Fremdleitungen vermutet wurden oder, daß der finanzielle Aufwand für die Leitungserkundung zu hoch erschien oder, daß die Leitungserkundung vergessen wurde [Egger94] .
Bezüglich des Standes der Technik auf dem Gebiet der Ortung erdverlegter Leitungen sei auf die Ausführungen in [Stein88b] verwiesen.
