Querschnittsformen und -abmessungen
Genormte Kanalquerschnittsformen mit geometrischen Werten bei Vollfüllung nach DIN 4263 (04.91) [DIN4263:1991]
Seit Beginn der modernen Kanalisationstechnik kamen Kanäle mit unterschiedlichsten Querschnittsformen und -abmessungen zum Einsatz, die teilweise heute noch unverändert angewendet werden.
Die wichtigsten Querschnittsformen, nach DIN 4045 [DIN4045:1985] auch Kanalprofile genannt, sind der Kreis-, der normale Ei- und der normale Maulquerschnitt. Sie werden auch als Regelformen bezeichnet, da nur sie nach DIN 4263 [DIN4263:1991] genormt sind (Bild 1.3-1) .
Der Kreisquerschnitt wurde und wird wegen seiner konstruktiven und hydraulischen Vorteile im Nennweitenbereich 100 ≤ DN/ ID ≤ 500 bevorzugt verwendet.
Seit der Entwicklung der Stahlbeton- und Spannbetontechnik, der fortschreitenden Verbesserung der Rohrherstellungsverfahren und des Rohrleitungsbaues kommen vorgefertigte Rohre mit Kreisquerschnitt auch bis DN 4000 für Hauptsammler zur Anwendung.
DN/ID (internal diameter) ist das Kurzzeichen für Nennweite. Sie ist eine Kenngröße für Kreisquerschnitte in der Größenordnung Millimeter, jedoch ohne Angabe der Einheit mm. Sie entspricht annähernd dem lichten Durchmesser.
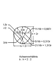
Der normale Eiquerschnitt wurde erstmalig 1846 in London ausgeführt und gelangte etwa 1870 nach Deutschland [Frühl10] .
Der Eiquerschnitt ist hydraulisch besonders vorteilhaft bei der Ableitung größerer, stark schwankender Abflüsse, z.B. bei Mischwasserkanälen mit kleinen Trockenwetterabflüssen Qt/Qv =0,22.
Er wird ebenso wie der Maulquerschnitt durch die Achsmaße Breite (b)/Höhe (h) in der Größenordnung Millimeter, jedoch ohne Angabe der Einheit mm bezeichnet.
Eiquerschnitte kamen und kommen auch in umgekehrter Lage zur Anwendung, um die Wasserspiegellinie zu senken, die statische Tragwirkung zu verbessern oder die Begehbarkeit zu erleichtern.
In den letzten Jahren erlebt diese Kanalquerschnittsform wieder eine Renaissance aufgrund ihrer statischen und betrieblichen Vorteile, aber auch durch die wesentlich reduzierte Ablagerungsgefahr, bedingt durch die vergrößerten Schleppspannungen. Damit verbunden sind verminderte Schmutzemissionen bei Regenwetter und eine verbesserte Behandlung größerer Schmutzmengen in der Kläranlage bei Trockenwetter [Braun93] [Sarto89] .
Maulquerschnitte bieten Vorteile bei großen Abflüssen und eingeschränkter Bauhöhe. Zwar ist die hydraulische Leistung bei Teilfüllung schlecht, doch wirkt sich die Form statisch besonders günstig aus, weil sie näherungsweise dem Verlauf der Stützlinie folgt.
In Sonderfällen z.B. beim Bau von Stauraumkanälen, Regenrückhaltebecken oder bei vorgegebenen Trassierungszwangspunkten fanden und finden auch Rechteckquerschnitte Anwendung. Als kleinstes lichtes Achsmaß empfiehlt DIN 4263 [DIN4263:1991] ca. 800 mm. Die Sohle erhält eine Querneigung (Abschnitt 1.7.7).
Außer diesen Regelquerschnitten gibt es noch eine Reihe weiterer Querschnittsformen und -größen (Bild 1.3-2) (Bild 1.3-3) , die in der Vergangenheit teilweise ebenfalls genormt waren und in Einzelfällen heute noch eingesetzt werden (Abschnitt 1.7.7) .
Bild 1.3-2:
Nicht genormte Kanalquerschnittsformen mit geometrischen Werten [ATV82] (Teil 1) |
Bild 1.3-3:
Nicht genormte Kanalquerschnittsformen mit geometrischen Werten [ATV82] (Teil 2) |
Querschnitte und Abmessungen für Kanäle nach DIN 4263 (07.47/07.77), DIN 4263 (04.91) [DIN4263:1991] und DIN 19540 (12.52/09.64) [DIN19540] und DIN 4263 (06.2011) [[DIN4263:1991]]- Teil 1: Kreisquerschnitte
|
Querschnitts− bezeichnung |
Systemskizze | Nennweite DN bzw. b⁄h nach | |||
|---|---|---|---|---|---|
|
DIN 4263 (07.47) |
DIN 19540 (12.52 bzw. 09.64) |
DIN 4263 (07.77 bzw. 04.91) |
DIN 4263 (06.2011) |
||
| Kreisquerschnitte | 100 | 150 | 100 | 40 | |
| 125 | 200 | 125 | 50 | ||
| 150 | 250 | 150 | 65 | ||
| 200 | 300 | 200 | 70 | ||
| 250 | 350 | 250 | 80 | ||
| 300 | 400 | 300 | 100 | ||
| 350 | 450 | 350 | 125 | ||
| 400 | 500 | 400 | 150 | ||
| 450 | 600 | 500 | 200 | ||
| 500 | 700 | 600 | 250 | ||
| 600 | 800 | 700 | 300 | ||
| 700 | 900 | 800 | 350 | ||
| 800 | 1000 | 900 | 400 | ||
| 900 | 1200 | 1000 | 500 | ||
| 1000 | 1400 | 1200 | 600 | ||
| 1200 | 1600 | 1400 | 700 | ||
| 1400 | 1800 | 1600 | 800 | ||
| 1600 | 2000 | 1800 | 900 | ||
| 1800 | 2200 | 2000 | 1000 | ||
| 2000 | 2400 | 2200 | 1200 | ||
| 2200 | 2400 | 1400 | |||
| 2400 | 2600 | 1600 | |||
| 2600 | 2800 | 1800 | |||
| 2800 | 3000 | 2000 | |||
| 3000 | 3200 | 2200 | |||
| 3400 | 2400 | ||||
| 3600 | 2600 | ||||
| 3800 | 2800 | ||||
| 4000 | 3000 | ||||
| 3200 | |||||
| 3400 | |||||
| 3600 | |||||
| 3800 | |||||
| 4000 | |||||
Querschnitte und Abmessungen für Kanäle nach DIN 4263 (07.47/07.77), DIN 4263 (04.91) [DIN4263:1991] und DIN 19540 (12.52/09.64) [DIN19540] und DIN 4263 (06.2011) [[DIN4263:1991]] - Teil 2: Eiquerschnitte
|
Querschnitts− bezeichnung |
Systemskizze | Nennweite DN bzw. b⁄h nach | ||||
|---|---|---|---|---|---|---|
|
DIN 4263 (07.47) |
DIN 19540 (12.52 bzw. 09.64) |
DIN 4263 (07.77) |
DIN 4263 (06.11) |
|||
|
Eiquer− schnitte |
1. Überhöhter Eiquerschnitt |
600⁄1050 | ||||
| 700⁄1225 | ||||||
| 800⁄1400 | ||||||
| 900⁄1575 | ||||||
| 1000⁄1750 | ||||||
|
2. Normaler Eiquerschnitt |
500⁄750 | 500⁄750 | 500⁄750 | 300/450 | ||
| 600⁄900 | 600⁄900 | 600⁄900 | 400/600 | |||
| 700⁄1050 | 700⁄1050 | 700⁄1050 | 500/750 | |||
| 800⁄1200 | 800⁄1200 | 800⁄1200 | 600/900 | |||
| 900⁄1350 | 900⁄1350 | 900⁄1350 | 700/1050 | |||
| 1000⁄1500 | 1000⁄1500 | 1000⁄1500 | 800/1200 | |||
| 1200⁄1800 | 1200⁄1800 | 1200⁄1800 | 900/1350 | |||
| 1400⁄2100 | 1400⁄2100 | 1400⁄2100 | 1000/1500 | |||
| 1600⁄2400 | 1600⁄2400 | 1200/1800 | ||||
| 1400/2100 | ||||||
|
3. Breiter Eiquerschnitt |
1000/1250 | |||||
| 1200⁄1500 | ||||||
| 1400⁄1750 | ||||||
| 1600⁄2000 | ||||||
| 1800⁄2250 | ||||||
| 2000⁄2500 | ||||||
| 2400⁄3000 | ||||||
|
4. Gedrückter Eiquerschnitt |
1200⁄1200 | |||||
| 1400⁄1400 | ||||||
| 1600⁄1600 | ||||||
| 1800⁄1800 | ||||||
| 2000⁄2000 | ||||||
| 2400⁄2400 | ||||||
| 2800⁄2800 | ||||||
| 3200⁄3200 | ||||||
Querschnitte und Abmessungen für Kanäle nach DIN 4263 (07.47/07.77), DIN 4263 (04.91) [DIN4263:1991] und DIN 19540 (12.52/09.64) [DIN19540] und DIN 4263 (06.2011) [[DIN4263:1991]] - Teil 3: Maulquerschnitte
|
Querschnitts− bezeichnung |
Systemskizze | Nennweite DN bzw. b⁄h nach | ||||
|---|---|---|---|---|---|---|
|
DIN 4263 (07.47) |
DIN 19540 (12.52 bzw. 09.64) |
DIN 4263 (07.77) |
DIN 4263 (06.2011) |
|||
|
Maul− quer− schnitte |
1. Überhöhter Maulquerschnitt |
1200⁄1200 | ||||
| 1400⁄1400 | ||||||
| 1600⁄1600 | ||||||
| 1800⁄1800 | ||||||
| 2000⁄2000 | ||||||
| 2400⁄2400 | ||||||
| 2800⁄2800 | ||||||
| 3200⁄3200 | ||||||
|
2. Normaler Maulquerschnitt |
1600⁄1200 | 1600⁄1200 | 1600⁄1200 | 1600/1200 | ||
| 1800⁄1350 | 1800⁄1350 | 1800⁄1350 | 1800/1350 | |||
| 2000⁄1500 | 2000⁄1500 | 2000⁄1500 | 2000/1500 | |||
| 2400⁄1800 | 2400⁄1800 | 2400⁄1800 | 2400/1800 | |||
| 2800⁄2100 | 2800⁄2100 | 2800⁄2100 | 2800/2100 | |||
| 3200⁄2400 | 3200⁄2400 | 3200⁄2400 | 3200/2400 | |||
| 3600⁄2700 | 3600⁄2700 | 3600/2700 | ||||
| 4000⁄3000 | 4000⁄3000 | 400/3000 | ||||
|
3. Gedrückter Maulquerschnitt |
2000⁄1250 | |||||
| 2400⁄1500 | ||||||
| 2800⁄1750 | ||||||
| 3200⁄2000 | ||||||
| 400⁄2500 | ||||||
Querschnitte und Abmessungen für Kanäle nach DIN 4263 (07.47/07.77), DIN 4263 (04.91) [DIN4263:1991] und DIN 19540 (12.52/09.64) [DIN19540] - Teil 4: Rinnenquerschnitte
|
Querschnitts− bezeichnung |
Systemskizze | Nennweite DN bzw. b⁄h nach | |||
|---|---|---|---|---|---|
|
DIN 4263 (07.47) |
DIN 19540 (12.52 bzw. 09.64) |
DIN 4263 (07.77) |
|||
|
Rinnen− quer− schnitte |
1. Einseitiger Auftritt |
1650⁄2200 | |||
| 1800⁄2400 | |||||
| 2100⁄2800 | |||||
| 2400⁄3200 | |||||
|
2. Beidseitiger Auftritt |
2600⁄2600 | ||||
| 2800⁄2800 | |||||
| 3200⁄3200 | |||||
| 3600⁄3600 | |||||
Bild 1.3-5:
Querschnitte gemauerter Kanäle der Klassen I bis VI ("Klassesiele") der Freien und Hansestadt Hamburg [Hambu79b] |
Einen Spezialquerschnitt für das Trennsystem der Stadt Bromberg (heute Bydgoszczy), bei dem oben das Regenwasser und unten das Schmutzwasser abgeführt wird, sowie die Situation im Bereich des speziellen Schachtes zeigt (Bild 1.3-4) .
Die gemauerten Kanäle der Stadt Hamburg sind in die Profilklassen VI bis I eingeteilt [Hambu79b] , deren Querschnittsformen und -abmessungen aus (Bild 1.3-5) bzw. (Tabelle 1.3-1) ersichtlich sind.
Maßangaben für die Querschnitte gemauerter Kanäle ("Klassesiele") in Hamburg [Hambu79b]
|
Profil |
Lichte Breite [m] |
Lichte Höhe [m] |
Lichter Querschnitt [m2] |
|---|---|---|---|
| Kl. VI | 0,55 | 1,00 | 0,43 |
| Kl. V | 0,70 | 1,20 | 0,64 |
| Kl. IV | 0,85 | 1,40 | 0,92 |
| Kl. III | 1,05 | 1,55 | 1,26 |
| Kl. II | 1,25 | 1,80 | 1,76 |
| Kl. I | 1,55 | 2,00 | 2,41 |
Wichtige Festlegungen innerhalb einer Kanalisation sind die Mindestnennweiten, wobei als Kriterien die Gewährleistung der Abführung auch gröberer und sperriger Stoffe und ggf. die Begehbarkeit in Frage kommen.
Bezüglich des erstgenannten Kriteriums waren nach Frühling [Frühl10] im Jahre 1910 z.B. folgende Mindestabmessungen üblich:
Berlin: Kreisquerschnitt 270 mm (früher 210 mm), Hannover: wie Berlin, Leipzig: Kreisquerschnitt DN 350, Stuttgart: Kreisquerschnitt DN 300, Frankfurt/Main: Kreisquerschnitt DN 300 oder Eiquerschnitt 670/1000, Karlsruhe: Eiquerschnitt 400/600, München: Kreisquerschnitt DN 300 oder Eiquerschnitt 400/600.
Heute gelten folgende Mindestnennweiten [ATV95b] :
- Grundstücksentwässerung: DN 150
(bei Einzelhäusern auch DN 125) - Anschlußkanäle von Straßenabläufen: DN 150
- Schmutzwasserkanäle: DN 200
- Regenwasserkanäle: DN 250
- Mischwasserkanäle: DN 250.
Aus betrieblichen Gründen empfiehlt ATV-A 118 [ATVA118:1997] unabhängig vom rechnerischen Gesamtabfluß folgende Mindestnennweiten für
Schmutzwasserkanäle: DN 250
Regen- und Mischwasserkanäle: DN 300
im allgemeinen nicht zu unterschreiten und die Mindestdurchmesser auf besonders begründete Fälle zu beschränken.
Ein wesentliches Argument bei der Festlegung der Mindestabmessungen, dem man zumindest nach [Frühl10] z.B. in Frankreich oder Wien gegenüber Deutschland bis 1910 stärker Rechnung trug, war die Forderung nach der Begehbarkeit, um "das Innere des Kanals und die dort einmündenden Hausanschlüsse untersuchen zu können."
Den in Wien verwendeten Mindestquerschnitt 800/1100 sah Frühling [Frühl10] für diesen Zweck als zu klein an. Er empfahl deshalb nur Kanäle mit mindestens 1200 mm Höhe und größer als begehbar gelten zu lassen.
Die "Sicherheitsregeln für Arbeiten in umschlossenen Räumen von abwassertechnischen Anlagen - Betrieb" [GUV176a] schreiben diesbezüglich vor:
"Leitungen mit einem Eiprofil von weniger als 100 cm Höhe und solche mit einem Kreisprofil von weniger als 90 cm lichter Weite sollen nicht betreten werden. Ausnahmen sind nur auf besondere Anordnung und unter Beachtung besonderer Sicherheitsmaßnahmen zulässig."
Arbeiten im Sinne dieser Sicherheitsregeln sind z.B.:
- Inspektionsarbeiten, wie Prüfen, regelmäßiges Besichtigen und Messen,
- Wartungsarbeiten, wie Reinigen, Schmieren, Ergänzen, Auswechseln und Nachstellen,
- Instandsetzungsarbeiten, wie Ausbessern und Austauschen,
- Änderungsarbeiten,
- Herstellungsarbeiten.
Einzelne Kommunen in der Bundesrepublik Deutschland erlauben diese Arbeiten erst in Rohrleitungen (DN 1200).
Die Definition der begehbaren Rohrleitungen im Zusammenhang mit der geschlossenen Bauweise (Abschnitt 1.6.2) kann in Anlehnung an die Sicherheitsregeln der TBG für Bauarbeiten unter Tage erfolgen, nach denen Arbeitsplätze in Tunnel, Stollen oder Durchpressungen mindestens folgende Mindestlichtmaße aufweisen müssen [TBG93b] :
Bei Längen unter 50 m:
- bei Kreisquerschnitt: 800 mm Durchmesser
- bei Rechteckquerschnitt: 800 mm Höhe, 600 mm Breite.
Bei Längen von 50 m bis unter 100 m:
- bei Kreisquerschnitt: 1000 mm Durchmesser
- bei Rechteckquerschnitt: 1000 mm Höhe, 600 mm Breite.
Bei Längen von 100 m und mehr:
- bei Kreisquerschnitt: 1200 mm Durchmesser
- bei Rechteckquerschnitt: 1200 mm Höhe, 600 mm Breite.
Bei Verfahren für den bemannt arbeitenden Rohrvortrieb fordert ATV-A 125 [ATVA125:1996] für den Regelfall einen Innendurchmesser von mindestens 1200 mm.
Der Innendurchmesser des Vortriebrohres darf in Ausnahmefällen auf 1000 mm verringert werden, wenn
- eine Vortriebsstrecke von 80 m nicht überschritten wird und
- ein vorgeschaltetes Arbeitsrohr (Innendurchmesser 1200 mm) von mindestens 2000 mm Länge vorhanden ist.
Bild 1.3-6:
Kanalquerschnittsformen und -abmessungen der Kanalisation der Stadt Dresden um 1912 [Büsin12] (oben: Eiquerschnitte unten: Haubenquerschnitte) |
Bild 1.3-7:
Kanalquerschnitte der Kanalisation von Berlin um 1890 [Hobre84] |
In Kanalisationen werden die Kanäle mit abgestuften Querschnittsabmessungen ausgeführt. Beispiele aus den Städten Dresden und Berlin zeigen die Bilder (Bild 1.3-6) und (Bild 1.3-7) .
Bei der Berliner Kanalisation, welche in dieser Beziehung für deutsche Städte vielfach vorbildlich gewesen ist, nahmen 1910 die Nennweiten der aus Steinzeug hergestellten Kreisquerschnitte von DN 210 bis 480 (anfangs bis 630) um je 30 mm und die lichte Höhe der Eiquerschnitte von h = 900 mm bis 2000 mm um je 10 mm zu.
Ab 1910 herrschte dann das Bestreben vor, die Kreisquerschnitte nur noch in den Nennweiten DN 100, 125, 150, 175, 200, 250, 300, 350 usw. abzustufen [Frühl10] .
Köln hatte 1910 Rohre mit Eiquerschnitten der Stufen 200/300, 280/375, 300/450, 350/525, 400/600, 500/750 und gemauerte Kanäle mit Eiquerschnitten 600/1000, 700/1200, 800/1400, 1000/1500, 1000/1600, 1200/1800 sowie Kreisquerschnitte von DN 250 bis DN 600 in Stufen von 50 mm.
