Betonrohre
In den ersten Anfängen umfaßte das Fertigungsprogramm Betonrohre mit Kreisquerschnitt mit und ohne Fuß im Nennweitenbereich von 75 mm bis 1000 mm sowie Rohre mit Eiquerschnitt verschiedener Formen und Abmessungen von 200/300 bis 1000/1500.
(Bild 1.7.7.1-1) zeigt um 1912 gebräuchliche Formen, die bei kleineren Nennweiten in einem Stück und bei größeren aus Transportgründen auch 2- bis 4-teilig ausgeführt wurden [Büsin12] .
Die Wanddicke "s" der Betonrohre wurde erstmals in der DIN 4032 Blatt 1, April 1959 [DIN4032:1981/59] genormt. Bis dahin richtete man sich bei der Festlegung der Wanddicke weitgehend nach folgenden Faustformeln [Frühl10] [Braub25] :
Rohre mit Kreisquerschnitt und Fuß sowie gleichmäßiger Wanddicke:
> DN 600 : s = d/10
(d = Rohrinnendurchmesser in mm).
Rohre mit Eiquerschnitt erhielten im Scheitel eine größere Wanddicke als in den Kämpfern.
Abmessungen von Kanalrohren aus Beton in Dresden um 1910 [Büsin12]
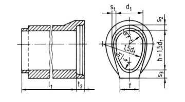
Bei den Dresdener Kanalbauten waren um 1910 [Frühl10] bei Eiquerschnitten bis d = 1000 mm folgende Abmessungen vorgeschrieben (Bild 1.7.7.1-2) :
Wanddicken
Scheitel s = 0,185 d
Kämpfer s = 0,1 d + 20 mm
Sohle s = 0,14 d + 15 mm
Sohlenbreite 0,6 d + 30 mm.
Die von Dyckerhoff & Widmann hergestellten Betonrohre wichen in ihren Abmessungen etwas ab. Die Rohre mit Kreisquerschnitt erhielten im Scheitel eine etwas größere Wanddicke als im Kämpfer; die Rohre mit Eiquerschnitt besaßen im Scheitel eine Wanddicke von etwa s = 0,17 d [Frühl10] .
Nach und nach erweiterte man das Fertigungsprogramm auf andere Querschnittsformen, z.B. Rechteckquerschnitte oder Keilrohre (Bild 1.7.7.1-3) . Diese zur Aufnahme höherer Belastungen im Scheitel verstärkten Rohre wurden als sogenannte Atlasrohre hergestellt (Bild 1.7.7.1-4) . Gegenüber den ersten Anfängen werkmäßiger Rohrfertigung haben sich einige Änderungen und Vervollkommnungen herausgebildet, wobei die Grundformen erhalten geblieben sind.
Bild 1.7.7.1-3:
Keilrohre System Hüser (1905) in Anlehnung an [Braub25] [Quelle: STEIN Ingenieure GmbH] |
Bild 1.7.7.1-4:
Atlasrohr EF-F 1400/2100 (Dyckerhoff & Widmann AG, 1986) [FI-Dywidb] |
Seit der Ausgabe im Juli 1973 unterscheidet die DIN 4032 [DIN4032:1981/59] Betonrohre und -Formstücke mit kreisförmigen (Tabelle 1.7.7.1-1) und eiförmigen (Tabelle 1.7.7.1-2) Abflußquerschnitten oder Sonderquerschnitten. Sie werden ohne oder mit Fuß, mit Muffe oder Falz, mit normaler oder - für kreisförmige Rohre - mit verstärkter Wanddicke hergestellt. Sonderformen mit Wanddicken und Scheiteldruckkräften entsprechend den statischen Erfordernissen sind zulässig (Bild 1.7.7.1-4) .
Betonrohre mit Kreisquerschnitt nach DIN 4032 [DIN4032:1981/59]
| Betonrohr mit Kreisquerschnitt ohne Fuß, wandverstärkt (KW), mit Muffe (M) |
Betonrohr mit Kreisquerschnitt mit Fuß, wandverstärkt (KW), mit Muffe (M) |
||||||||||
| Betonrohr mit Kreisquerschnitt ohne Fuß (K), mit Falz (F) |
Betonrohr mit Kreisquerschnitt mit Fuß (KF), mit Falz (F) |
||||||||||
| Nenn− weite |
d1 | Abweichung der Parallelität der Stirnflächen |
Mindestwanddicken1) | Fußbreite | |||||||
|---|---|---|---|---|---|---|---|---|---|---|---|
| K | KF | KW | KFW | f | |||||||
| DN | zul. Abw. |
s1 | s1 | s2 und s3 | s1 | s1 | s2 | s3 | ≈ | ||
| 100 | 100 | ±2 | 3 | 22 | 22 | 22 | − | − | − | − | 80 |
| 150 | 150 | ±2 | 3 | 24 | 24 | 24 | − | − | − | − | 120 |
| 200 | 200 | ±3 | 4 | 26 | 26 | 26 | − | − | − | − | 160 |
| 250 | 250 | ±3 | 4 | 30 | 30 | 30 | − | − | − | − | 200 |
| 300 | 300 | ±4 | 5 | 40 | 40 | 40 | 50 | 50 | 50 | 65 | 240 |
| 400 | 400 | ±4 | 6 | 45 | 45 | 45 | 65 | 50 | 65 | 90 | 320 |
| 500 | 500 | ±5 | 6 | 50 | 50 | 60 | 85 | 70 | 85 | 110 | 400 |
| 600 | 600 | ±6 | 8 | 60 | 60 | 70 | 100 | 85 | 100 | 130 | 450 |
| 700 | 700 | ±6 | 8 | 70 | 70 | 80 | 115 | 100 | 115 | 150 | 500 |
| 800 | 800 | ±7 | 10 | 75 | 75 | 90 | 130 | 115 | 130 | 170 | 550 |
| 900 | 900 | ±7 | 10 | − | − | − | 145 | 130 | 145 | 195 | 600 |
| 1000 | 1000 | ±8 | 12 | − | − | − | 160 | 145 | 160 | 215 | 650 |
| (1100) | 1100 | ±8 | 12 | − | − | − | 175 | 160 | 175 | 240 | 680 |
| 1200 | 1200 | ±10 | 14 | − | − | − | 190 | 170 | 190 | 260 | 730 |
| (1300) | 1300 | ±10 | 14 | − | − | − | 205 | 185 | 205 | 280 | 780 |
| 1400 | 1400 | ±10 | 16 | − | − | − | 220 | 200 | 220 | 300 | 840 |
| (1500) | 1500 | ±10 | 16 | − | − | − | 235 | 215 | 235 | 320 | 900 |
| Eingeklammerte Nennweiten möglichst vermeiden. Die Mindestwanddicken von Sonderformen DN 900 bis DN 1500 dürfen 1⁄10 der Kenngröße der Nennweite in mm nicht unterschreiten. 1) Für Rohre DN 100 bis DN 200 mit Muffenmaßen nach Tabelle 3 gelten die dort angegebenen Wanddicken. |
|||||||||||
Betonrohre mit Eiquerschnitt nach DIN 4032 [DIN4032:1981/59]
| Betonrohr mit Eiquerschnitt mit Fuß (EF), mit Muffe (M) |
Betonrohr mit Eiquerschnitt mit Fuß (EF), mit Falz (F) |
||||||
| Nennweite | d1⁄h | Abweichung der Parallelität der Stirnflächen |
Mindestwanddicken | Fußbreite | |||
|---|---|---|---|---|---|---|---|
| DN | zul. Abw. d1 und h |
s1 | s1 | s1 | f ≈ |
||
| 500⁄750 | 500⁄750 | ±5 | 6 | 64 | 84 | 84 | 320 |
| 600⁄900 | 600⁄900 | ±6 | 8 | 74 | 98 | 98 | 375 |
| 700⁄1050 | 700⁄1050 | ±6 | 8 | 84 | 110 | 110 | 430 |
| 800⁄1200 | 800⁄1200 | ±7 | 10 | 94 | 122 | 122 | 490 |
| 900⁄1350 | 900⁄1350 | ±7 | 10 | 102 | 134 | 134 | 545 |
| 1000⁄1500 | 1000⁄1500 | ±8 | 12 | 110 | 146 | 146 | 600 |
| 1200⁄1800 | 1200⁄1800 | ±10 | 14 | 122 | 160 | 160 | 720 |
Es bezeichnet
K Betonrohr mit Kreisquerschnitt ohne Fuß (1939)
KW Betonrohr mit Kreisquerschnitt ohne Fuß, wandverstärkt (1973)
KF Betonrohr mit Kreisquerschnitt mit Fuß (1923)
KFW Betonrohr mit Kreisquerschnitt mit Fuß, wandverstärkt (1973)
EF Betonrohr mit Eiquerschnitt mit Fuß (1923).
Die Ausführung der Betonrohre mit Muffe oder Falz wird durch Anfügen von - M für Muffe und - F für Falz bezeichnet. Den Zeitpunkt der erstmaligen Normung gibt die jeweils in Klammern angeführte Jahreszahl an. Die Einführung der wandverstärkten Rohre erfolgte bereits früher im Jahre 1965 durch die "Vorläufige Richtlinie für Betonrohre mit erhöhten Wanddicken" des Bundesverbandes Deutsche Beton- und Fertigteilindustrie e.V. (BDB).
Die Baulänge der Betonrohre betrug vorwiegend 1000 mm, in Einzelfällen bei Nennweiten über 800/1200 aus Gewichtsgründen auch 500 mm bis 800 mm [Frühl10] .
Nach DIN 4032, Juli 1939, konnten Rohre von 1000 mm Nennweite und darüber auch in Baulängen unter 1000 mm ausgeführt werden. Eine Überschreitung dieses Maßes ließ erstmalig die Ausgabe April 1959 [DIN4032:1981/59] zu, wobei die Baulänge durch 500 teilbar sein mußte. Heute werden in großem Umfang Rohre mit 2000 mm und 2500 mm Baulänge hergestellt [BDB78] .
Die Tragfähigkeit von Betonrohren kann über die Betonqualität und die Wanddicke beeinflußt werden.
Die ersten Tragfähigkeitsreihen wurden vom Deutschen Betonverein im Jahre 1910 "Tabelle über die Mindesttraglast von Zementrohren für kreis- und eiförmige Rohre mit Fuß" veröffentlicht (Tabelle 1.7.7.1-3) .
Mindesttraglasten von Zementröhren. Aufgestellt vom "Deutschen Betonverein" im Jahre 1910 [Büsin12]
| Kreisförmige Röhren | Eiförmige Röhren | Kreisförmige Röhren | Eiförmige Röhren | ||||
|---|---|---|---|---|---|---|---|
|
Lichtweite in mm |
Bruchlast in kg für 1 m |
Lichtweite in mm |
Bruchlast in kg für 1 m |
Lichtweite in mm |
Bruchlast in kg für 1 m |
Lichtweite in mm |
Bruchlast in kg für 1 m |
| 200 | 2000 | 200⁄300 | 3000 | 500 | 3000 | 600⁄900 | 3800 |
| 250 | 2200 | 250⁄375 | 3000 | 600 | 3000 | 700⁄1050 | 3800 |
| 300 | 2500 | 300⁄450 | 3000 | 700 | 3000 | 800⁄1200 | 4200 |
| 350 | 2800 | 350⁄525 | 3200 | 800 | 3000 | 900⁄1350 | 4400 |
| 400 | 2800 | 400⁄600 | 3400 | 1000 | 3000 | 1000⁄1500 | 4400 |
| 450 | 2900 | 500⁄750 | 3400 | ||||
Auffällig ist die Begrenzung der Bruchlast auf 3000 kg bei kreisförmigen Betonrohren > DN 500. In diesem Nennweitenbereich wurde die Wanddicke nicht entsprechend dem Durchmesser verstärkt, um den Transport und den Einbau nicht durch ein zu hohes Gewicht zu erschweren [Büsin12] .
Die im Juli 1939 erschienene DIN 4032 enthielt zwei Güteklassen für die Betonrohre und damit auch für die Scheiteldruckkräfte (Bild 1.7.7.1-5) , wobei für den Einsatz in Kanalisationen vornehmlich die Güteklasse I empfohlen wurde.
Diese Aufteilung wurde in die DIN 4032 (04.59) [DIN4032:1981/59] nicht mehr übernommen. Als Scheiteldruckkraft galten die Werte der ehemaligen Güteklasse I.
Auch in den Folgeausgaben der DIN 4032, Juli 1973 und Januar 1981 [DIN4032:1981/59] , basieren die Scheiteldruckkräfte für Betonrohre mit Kreisquerschnitt bis DN 800 auf diesen Werten. Die Scheiteldruckkräfte für Betonrohre mit Eiquerschnitt wurden gegenüber den Angaben Juli 1939 und April 1959 [DIN4032:1981/59] erhöht (Bild 1.7.7.1-5) .
Neu erfaßt wurden in der Ausgabe Juni 1973 die Scheiteldruckkräfte für Rohre mit Kreisquerschnitt, wandverstärkt im Nennweitenbereich DN 300 bis DN 1500 (Bild 1.7.7.1-5) .
Die Tragfähigkeitsreihen zeigen eine nahezu lineare Abhängigkeit der Scheiteldruckkraft von der Nennweite. Die Ausgleichsgerade für den Bereich DN 300 bis DN 1500 lautet [Zäsch86] FN = 9,6 + 0,14 DN in kN/m.
Über die gültigen Normen hinausgehende Anforderungen enthält die von der "Fachvereinigung Betonrohre und Stahlbetonrohre e.V." (FBS) im Jahre 1989 erstellte FBS-Qualitätsrichtlinie [FBS94] . Sie gilt für Betonrohre nach DIN 4032 [DIN4032:1981/59] , Stahlbetonrohre nach DIN 4035 [DIN4035] , Vortriebsrohre nach DIN 4032 [DIN4032:1981/59] und DIN 4035 [DIN4035] , zugehörige Formstücke sowie Schachtbauteile nach DIN 4034 Teil 1 [DIN4034-1:1993] , die von FBS-Mitgliedern hergestellt werden und die bezüglich Wanddicke, Rohrverbindung, Maßgenauigkeit, Tragfähigkeit, Wasserdichtheit und Qualitätssicherung höhere Anforderungen als die o.a. Normen an die Rohre stellt (Tabelle 1.7.7.1-4) .
Mindestwanddicken und Mindestscheiteldruckkräfte von FBS-Betonrohren [FBS94]
| Nennweite | Mindestwanddicken |
Scheiteldruck− kraft |
||||
|---|---|---|---|---|---|---|
| KW | KFW | |||||
| DN |
s1 mm |
s1 mm |
s2 mm |
s3 mm |
s44) mm |
FN kN⁄m |
| 300 | 60 | 60 | 60 | 95 | 50 | 75 |
| 400 | 75 | 65 | 75 | 110 | 55 | 85 |
| 500 | 85 | 70 | 85 | 115 | 60 | 95 |
| 600 | 100 | 85 | 100 | 130 | 70 | 100 |
| 700 | 115 | 100 | 115 | 150 | 80 | 111 |
| 800 | 130 | 115 | 130 | 170 | 85 | 125 |
| 900 | 145 | 130 | 145 | 195 | 95 | 138 |
| 1000 | 160 | 145 | 160 | 215 | 100 | 152 |
| 1100 | 175 | 160 | 175 | 240 | 115 | 166 |
| 1200 | 190 | 170 | 190 | 260 | 125 | 181 |
| 1300 | 205 | 185 | 205 | 280 | 135 | 194 |
| 1400 | 220 | 200 | 220 | 300 | 140 | 207 |
| 1500 | 235 | 215 | 235 | 320 | 140 | 225 |
| 4) darf bei KFW-Rohren an der Sohle um maximal 20% unterschritten werden | ||||||
Für alle Betonrohre muß die Betondruckfestigkeit mindestens der Festigkeitsklasse B 45 nach DIN 1045 [DIN1045:1988] entsprechen.
