Glasfaserverstärkte Kunststoffe (GFK)
Rohre aus glasfaserverstärkten Kunststoffen (GFK) werden seit Anfang der 60er Jahre hergestellt. Sie dienten ursprünglich zur Ableitung aggressiver Wässer in Industriebetrieben, fanden dann aber auch mit zunehmender Bedeutung im Abwassersektor Anwendung, wo sie heute in offener Bauweise [Bloom84] [Bloom86] [Jacob82] als Freispiegel- oder Druckleitungen (DN 100 bis DN 2800, Längen: 6 m, Drücke bis PN 25) und in geschlossener Bauweise in Form von Vortriebsrohren [Stein85c] (Außendurchmesser von DN 200 bis DN 2400 und Längen von 985 mm bis 6000 mm) verlegt werden [FI-Hobasb] . Darüber hinaus finden GFK-Rohre auch Anwendung als Reliningrohre (Außendurchmesser DA 220 bis DA 2800) (Abschnitt 5.3.2.2) .
Glasfaserverstärkte Kunststoffe bestehen i.a. aus den beiden Komponenten Harz und Glasfasern. Die Zugabe von Füllstoffen ist möglich. Als Harz wird vorwiegend Polyesterharz und in geringem Umfang auch Epoxidharz eingesetzt.
Im vorliegenden Anwendungsfall werden für die Verstärkung Glasfasern vor allem in Form von
- Matten (nicht gewebte Matten aus geschnittenen oder ungeschnittenen Glasfasern, die verklebt oder auf einem Trägermaterial mechanisch gebunden sind),
- Geweben (auf Webstühlen oder -maschinen aus gezwirnten Glasfasern hergestellt),
- Rovings (Glasfaserstränge oder Bündel aus 100 bis 200 ungedrehten Fasern zu 5 µm bis 13 µm Dicke) oder
- geschnittenen Glasfasern (entsprechend dem Anwendungszweck auf bestimmte Länge geschnittene Fasern oder Rovings)
verwendet [Grüne72] .
Nach DIN 16869 Teil 1 [DIN16869:1995] wird als Füllstoff hauptsächlich Quarzsand mit einer Korngröße von 0,25 mm bis 1 mm sowie Calciumcarbonatmehl zugegeben.
Zur Herstellung von Rohren und Formteilen aus GFK [Grüne72] [Himml81] sind folgende Verfahren möglich:
Handauflegeverfahren (Handlaminieren)
Bei diesem vor allem für die Herstellung von Formstücken aber auch von Rohrverbindungen eingesetzten Verfahren werden Glasfasermatten oder -gewebe auf eine Form oder das Bauteil aufgelegt und das Harz von Hand aufgetragen und verteilt.
Faserspritzverfahren
Gleichzeitiges Aufspritzen von Harz, aus Rovings geschnittenen Glasfasern und Füllstoffen auf eine Form. Die Arbeiten werden von Hand unter Verwendung einer Mehrkomponenten-Spritzanlage durchgeführt.
Wickelverfahren
Lagenweises maschinelles Aufwickeln von harzgetränkten Rovings oder Gewebebändern, manchmal auch unter Einlegen unidirektionaler Gewebe, auf einen rotierenden Wickeldorn.
Bild 1.7.10-1:
Herstellung von GFK-Rohren im Schleuderverfahren (Hobas Durotec GmbH) [FI-Hobasb] |
Bild 1.7.10-2:
Wandaufbau eines im Schleuderverfahren hergestellten GFK-Rohres (Hobas Rohre GmbH) [FI-Hobasb] |
Schleuderverfahren
Bei diesem Verfahren sind zwei Varianten zu unterscheiden:
- Einlegen einer Glasfasermatte von Hand in einen Hohlzylinder (Kokille). Dieser wird anschließend in Rotation versetzt und gleichzeitig über eine Leitung das Harz zugegeben.
- In die sich drehende Kokille werden über einen speziellen Zugabearm (Bild 1.7.10-1) das Harz, die geschnittenen Glasfasern sowie der Füllstoff gleichzeitig oder in der gewünschten Reihenfolge eingebracht, so daß ein spezieller Schichtenaufbau erzielbar ist.
Aufgrund des Herstellungsprozesses erhält man beim Schleuderverfahren ein Rohr mit definiertem Außendurchmesser und glatter Innen- und Außenseite. Bei allen anderen Herstellungsverfahren ist die Innenwandung glatt und der Innendurchmesser durch die Form festgelegt.
Die heute zum Einsatz kommenden Abwasserrohre werden fast ausschließlich im Wickel- und im Schleuderverfahren (Variante 2) hergestellt.
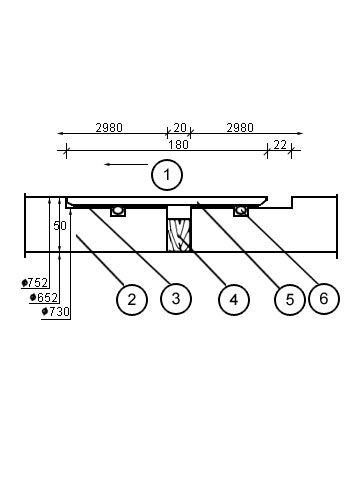
Der Wandaufbau z.B. von geschleuderten GFK-Rohren für den Einsatz im Abwassersektor ist in DIN 19565 [DIN19565-1:1989] festgelegt.
Den Schnitt durch die Rohrwandung eines im Schleuderverfahren hergestellten Vortriebsrohres zeigt (Bild 1.7.10-2) .
Die mechanischen Eigenschaften von GFK-Rohren werden bestimmt durch [Schle73] [Grüne72]
- die Haftung zwischen Harz und Fasern,
- die Art, den Gehalt und die Lage der Glasfasern sowie durch
- den Anteil an Füllstoffen.
Die Rohrsteifigkeit, die bei ausschließlicher Verwendung von Harz und Fasern relativ gering ist, läßt sich durch Integration von Schichten mit hohem Füllstoffgehalt (Bild 1.7.10-2) den jeweiligen Erfordernissen anpassen.
So stehen für die Anwendung im Abwassersektor nach DIN 19565 [DIN19565-1:1989] heute Rohre der Nennsteifigkeiten (in N/mm2) SN 2.500, SN 5.000 und SN 10.000 zur Verfügung.
Problematisch für GFK-Rohre sind punktförmige Lasten, da sie in der inneren Feinschicht oft zu Mikrorissen und Delaminierungen führen, die die Lebensdauer der Rohre erheblich reduzieren [Schle73] .
Ragen Fasern aus der Harzschicht heraus oder ist diese nicht diffusionsdicht bzw. sind Risse vorhanden, so können aggressive Medien aus dem Abwasser oder der Kanalatmosphäre aufgrund des Kapillareffektes entlang der Fasern wandern und den Verbund zerstören sowie diese auslaugen und Rißbildungen im Glasfasermantel verursachen.
Für die Verbindung von in offener Bauweise verlegten GFK-Rohren stehen verschiedene Möglichkeiten zur Verfügung (Bild 1.7.10-3) (Bild 1.7.10-4) (Bild 1.7.10-5) (Bild 1.7.10-6) (Bild 1.7.10-7) (Bild 1.7.10-8) .
Bild 1.7.10-3:
Verbindungen von GFK-Rohren in Anlehnung an [FI-Vetro] - Muffenverbindung mit Dichtung. [Quelle: visaplan GmbH] |
Bild 1.7.10-4:
Verbindungen von GFK-Rohren in Anlehnung an [FI-Vetro] - Muffenverbindung geklebt. [Quelle: visaplan GmbH] |
Bild 1.7.10-5:
Verbindungen von GFK-Rohren in Anlehnung an [FI-Vetro] - Überlaminierte Stoßverbindung. [Quelle: visaplan GmbH] |
Bild 1.7.10-6:
Verbindungen von GFK-Rohren in Anlehnung an [FI-Vetro] - Muffenverbindung mit doppelter Dichtung. [Quelle: visaplan GmbH] |
Bild 1.7.10-7:
Verbindungen von GFK-Rohren in Anlehnung an [FI-Vetro] - Muffenverbindung geklebt und überlaminiert. [Quelle: visaplan GmbH] |
Bild 1.7.10-8:
Überschiebkupplung mit innenliegender Elastomerdichtung für GFK-Rohre nach DIN 19565 [DIN19565-1:1989] |
Eine Verbindung von GFK-Vortriebsrohren (Bild 1.7.10-9) ist im (Bild 1.7.10-10) dargestellt [Stein85c] .
Bild 1.7.10-9:
GFK-Vortriebsrohre (Typ Hobas) [Stein85c] |
Bild 1.7.10-10:
GFK-Vortriebsrohr - Rohrverbindung mit Führungsring aus GFK (Typ Hobas) [Stein85c] |
Für Nennweiten zwischen DN 300 und DN 2800 wird die "FWC-Kupplung", bestehend aus einer Überschiebkupplung aus GFK-Laminat mit über die gesamte Breite integrierter Elastomerdichtung, verwendet (Bild 1.7.10-11) .
Rohre mit Nennweiten ab DN 150 bis DN 500 werden mit der DC-Kupplung verbunden. Auf Anfrage sind auch andere Durchmesser lieferbar. Sie besteht aus einer Überschiebkupplung aus GFK, in der zwei Dichtringe und ein Abstandhalter integriert sind (Bild 1.7.10-12) .
Längskraftschlüssige Rohrverbindungen werden mit der DCL-Kupplung realisiert, mit der die Rohre mechanisch zug- und druckfest miteinander verbunden werden. Dies wird durch einen Scherstab bewirkt, der nach dem Zusammenziehen der Rohre seitlich in die Kupplung eingeführt wird und dann je zur Hälfte mit einer Nut im Rohr bzw. in der Kupplung liegt (Bild 1.7.10-13) .
Speziell bei der Auskleidung (Relining) mit vorgefertigten Rohren werden GFK-Rohre mit WKH-Kupplung (Bild 1.7.10-14) und WW-Kupplung (Bild 1.7.10-15) eingesetzt. "Sie sind nach außen hin platzsparender als die FWL- oder DC- Kupplung und lassen daher beim Relining eine größere Querschnittsausnutzung zu. Die WKH-Kupplung ist identisch mit der Kupplung, die für den Rohrvortrieb und das Berstverfahren verwendet wird, d.h. sie hat außen eine vollkommen glatte Rohr-Kupplungs-Außenfläche" [FI-Hobasb] .
Bild 1.7.10-11:
Verbindung von in offener Bauweise verlegten GFK-Rohren in Anlehnung an [FI-Hobasb] - FWC-Kupplung. [Quelle: visaplan GmbH] |
Bild 1.7.10-12:
Verbindung von in offener Bauweise verlegten GFK-Rohren in Anlehnung an [FI-Hobasb] - DC-Kupplung. [Quelle: visaplan GmbH] |
Bild 1.7.10-13:
Verbindung von in offener Bauweise verlegten GFK-Rohren in Anlehnung an [FI-Hobasb] - DCL-Kupplung. [Quelle: visaplan GmbH] |
Bild 1.7.10-14:
Verbindung von in offener Bauweise verlegten GFK-Rohren in Anlehnung an [FI-Hobasb] - WKH-Kupplung. [Quelle: visaplan GmbH] |
Bild 1.7.10-15:
Verbindung von in offener Bauweise verlegten GFK-Rohren in Anlehnung an [FI-Hobasb] - WW-Kupplung. [Quelle: visaplan GmbH] |
Für GFK-Rohre gelten folgende Normen und Richtlinien: Richtlinie R. 7.8.1/8 [R7818] ; R.7.8.24; R. 1.8.1/8; R. 1.8.24 [R7824] .
Normen: DIN 16868 Teil 1 [DIN16868-1] ; DIN 16869 Teil 1, 2 [DIN16869:1995] ; DIN 16870 Teil 1 [DIN16870-1] ; DIN 16871 [DIN16871b] ; DIN 16964 [DIN16964] ; DIN 16965 Teil 1, 2, 4, 5 [DIN16965] ; DIN 19565 Teil 1 [DIN19565-1:1989] .
