Rohrverbindung
Die Verbindung der Steinzeugrohre erfolgt noch heute zum größten Teil mit Hilfe von Muffen, deren Tiefe mindestens 70 mm beträgt und mit der Nennweite bis auf 105 mm zunimmt. Zur Aufnahme des die Dichtung bewirkenden Stoffes dient der 10 mm bis 20 mm breite Ringraum zwischen Muffe und Spitzende.
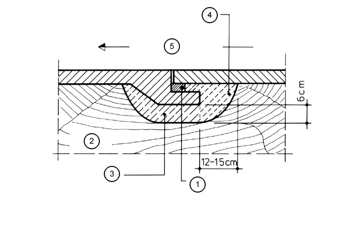
Bis etwa 1925 bestand die eigentliche Dichtung aus plastischem Ton oder Mörtel aus Zement bzw. hydraulischem Kalk. Damit der Dichtstoff nicht in das Rohrinnere eindringen konnte, wurde der Ringraum selbst zuvor durch eine 2 cm bis 3 cm starke, geteerte Hanfstricklage (Teerstrick) abgedichtet. Nach dem Eindrücken des Dichtstoffes wurde die Muffe mit einem Ton- bzw. Zementwulst eingehüllt (Bild 1.7.3.1-1) . Daß diese Dichtungsform bereits zur Zeit ihrer Anwendung als relativ kritisch angesehen wurde, verdeutlicht das nachfolgende Zitat aus dem Jahre 1910 [Frühl10] :
"So bemerkt man häufig beim Wiederaufgraben älterer Leitungen, daß an Stelle plastischen Tons gewöhnlicher Töpferlehm und manchmal nur der in der Baugrube vorgefundene lehmige Boden benutzt wurde; auch bleibt, um an Dichtstoff und Arbeit zu sparen, vielfach der Wulst weg und man begnügt sich mit dem Verstreichen der Muffen; und es kommt selbst vor, daß auch der Teerstrick fehlt. Dichtungen dieser Art genügen natürlich auch den bescheidensten Ansprüchen nicht mehr; sie sind es aber vorzugsweise, welche infolge auftretender Leckstellen die Dichtung mit plastischem Ton in ein ungünstiges Licht gestellt haben. Gleichwohl lassen sich verschiedene dem Verfahren anhaftende Mängel nicht in Abrede stellen. Denn auch in einer Stärke von 8 cm bis 10 cm bildet der plastische Ton noch keinen sicheren Abschluß, namentlich wenn er der dauernden Einwirkung des Grundwassers ausgesetzt wird; ferner ist wiederholt eine Durchbohrung durch Regenwürmer, sowie das Eindringen von Baumwurzeln in das Innere der Leitungen, wenn diese in Straßen mit Baumpflanzungen oder in städtischen Anlagen verlegt waren, beobachtet worden."
Nach [Braub25] wirkt sich zusätzlich die Tatsache negativ aus, daß bei einer nicht ständigen Durchfeuchtung die Tondichtung trocken und bröckelig wird und somit zu Undichtigkeiten führt.
Auch der mit Teer durchtränkte Hanfstrick wurde bereits im Jahre 1910 aufgrund des unvermeidbaren Kontaktes mit dem Abwasser sowie mit der feuchten Kanalluft als nicht beständig angesehen [Frühl10] .
Diese unvermeidlichen, systembedingten Nachteile, aber auch die fehlende Sorgfalt bei der Ausführung führten dazu, daß man ab etwa 1910 mehr und mehr dazu überging, diese Abdichtverfahren abzulösen und die verstrickten Muffen unter Verwendung von Gießringen oder Gießschellen fast durchgängig mit einem dünnflüssig geschmolzenen Asphaltkitt zu vergießen. Eine ausführliche Beschreibung dieser Muffenabdichtung findet sich in [Müche65] .
Schwierigkeiten beim Umgang mit diesem Dichtmittel, steigende Lohnkosten und der Mangel an Fachkräften führte später bei den Anwendern zur Forderung nach Herstellung unverwechselbarer Dichtelemente, die eine Entwicklung auslöste, die schließlich über die im (Bild 1.7.3.1-2) dargestellte Konusdichtung (1955) konsequent zu einer Rohrverbindung führte, bei der das Dichtelement fest mit dem Rohr verbunden ist. Es handelt sich dabei um die 1965 eingeführten werkseitig vorgefertigten Steckmuffen L für die Nennweiten DN 100 bis DN 200 (Bild 1.7.3.1-3) und die Steckmuffen K ab Nennweite DN 200 aufwärts (Bild 1.7.3.1-4) .
Bild 1.7.3.1-2:
Konusdichtung bei Steinzeugrohren (Keramik-Rohr GmbH) [Schul82] |
Bild 1.7.3.1-3:
Steinzeugrohre mit Steckmuffe L in Anlehnung an [DINEN295a]. [Quelle: visaplan GmbH] |
Bild 1.7.3.1-4:
Steinzeugrohre mit Steckmuffe K in Anlehnung an DIN EN 295 [DINEN295a]. [Quelle: visaplan GmbH] |
Bild 1.7.3.1-5:
Steinzeugrohre mit Steckmuffe S in Anlehnung an DIN EN 295 [DINEN295a][Quelle: visaplan GmbH] |
Bei der Steckmuffe L und VL bildet ein Lippendichtring aus einem Kautschuk-Elastomer, der mit der Muffe fest verbunden ist, das Dichtelement.
Die Steckmuffe K besteht aus angegossenen Dichtelementen aus Polyurethan und Polyester in der Muffe und am Spitzende.
Für die 2,5 m langen Steinzeugrohre wurde die Steckmuffe S entwickelt (Bild 1.7.3.1-5) . Bei dieser Verbindung wird der Muffenbereich abgeschliffen, so daß der bisher werkseitig aufgebrachte Polymerausgleichsring entfallen kann. Auf das durch Schleifen nachbearbeitete Spitzende wird ein Kautschuk-Elastomer-Dichtring werkseitig vormontiert, der zur Verhinderung einer unbeabsichtigten Verlagerung mit einem Stahlring versehen ist.
Steinzeugrohre mit Überschiebkupplung, System EuroTop [FI-EuroC]
Einen weiteren Entwicklungsschritt stellte die Einführung von Rohren DN 100 bis DN 300 mit glatten Enden (muffenlos) und einer beweglichen Verbindung, bestehend aus einer Polypropylen-Kunststoffmanschette mit zwei Dichtprofilen aus Gummielastomer dar (Bild 1.7.3.1-6) . Die unglasierten, muffenlosen Rohre werden in Baulängen bis 2 m hergestellt.
Seit 1984 werden Steinzeugrohre auch in der geschlossenen Bauweise verlegt. Grundlage hierfür ist seit 1993 die DIN EN 295-7 [DINEN295a] .
Angeboten werden Vortriebsrohre DN 150 (Tabelle 1.7.3.1-1) für Hausanschlüsse s.a. [FI-Stein96] [FI-Stein90] [Stein85c] sowie Vortriebsrohre für Kanäle DN 200 bis DN 1000 (Tabelle 1.7.3.1-2) (Tabelle 1.7.3.1-3) . Sie sind mit Rücksicht auf die Verlegetechnik entsprechend ATV-A 125 [ATVA125:1996] ohne Muffen und mit außen bündigen Rohrverbindungen hergestellt. Beim Vortriebsrohr DN 150 besteht die Verbindung aus einer paßgenauen, relativ steifen Kupplungsmanschette aus einem kautschuküberzogenen Polypropylenstützkörper (Tabelle 1.7.3.1-1) . Für die Nennweiten DN 200 bis DN 500 werden Vortriebsrohre mit einer VT-Kupplung aus Kautschuk-Elastomer mit beidseitigen Doppel-Dichtlippen, der einen ringförmigen Stützkörper aus gelochtem Stahlblech umschließt, angeboten (Tabelle 1.7.3.1-3) :
Lieferprogramm für Steinzeugvortriebsrohre DN 150 mit VT-Kupplung aus Kautschuk-Elastomer mit Stützkörper aus Polypropylen [FI-Stein96]
| Rohrdurchmesser | Durchmesser Dichtmanschette |
Baulänge | Einsteck− länge |
Vortriebskraft | mittl. Gewicht |
|||
|---|---|---|---|---|---|---|---|---|
| Innen d1 |
Spitze d' |
Mantel dM |
dD | l1 | e | F1 [kN] |
F2 [kN] |
[kg⁄m] |
| 151+⁄−2 | 186+⁄−2 | 207+3⁄−0 | 206+⁄−1 | 997+⁄−2 | 50+3⁄−0 | 174 | 218 | 36 |
| 151+⁄−2 | 186+⁄−2 | 207+3⁄−0 | 206+⁄−1 | 497+⁄−2 | 50+3⁄−0 | 174 | 218 | 36 |
| F1: Vortriebskraft bei manueller Aufzeichnung, Sicherheitsfaktoren 2 und 2 (Standardbemessung) F2: Vortriebskraft bei automatischer Aufzeichnung und Kontrolle, Sicherheitsfaktoren 2 und 1,6 |
||||||||
Lieferprogramm für Steinzeug-Vortriebsrohre mit Edelstahlmanschette V4A-Maße (Stahlwerkstoff 1.4571) [FI-Stein96]
| DN | Rohrdurchmesser | Kupplung | Fugen- zwischen- lage |
Bau- längen |
Vortriebskraft | mittl. Gewicht |
|||||
|---|---|---|---|---|---|---|---|---|---|---|---|
| d1 | d3 +/-1 |
dM max. |
dk +/-1 |
sk +/-0,2 |
bK +/-1 |
Dz +/-1 |
l1 +/-1 |
F1 [kN] |
F2 [kN] |
[kg/m] | |
| 250 | 250+/-3 | 334 | 355 | 344 | 3 | 128 | 8 | 992 1992 |
670 | 883 | 105 |
| 300 | 300+/-4 | 383 | 406 | 393 | 3 | 128 | 8 | 992 1992 |
648 | 810 | 125 |
| 400 | 402+/-8 | 525 | 556 | 535 | 3 | 128 | 10 | 1990 | 1270 | 1588 | 240 |
| 500 | 503+/-9 | 625 | 658 | 639 | 5 | 130 | 16 | 1984 | 1517 | 1896 | 295 |
| 600 | 603+/-12 | 719 | 760 | 733 | 5 | 130 | 16 | 1984 | 1609 | 2011 | 350 |
| 700 | 704+/-15 | 815 | 862 | 831 | 5 | 130 | 16 | 1984 | 1675 | 2094 | 380 |
| 800 | 805+/-17 | 921 | 970 | 937 | 5 | 133 | 19 | 1981 | 1982 | 2478 | 460 |
| 1000 | 1007+/-23 | 1117 | 1178 | 1133 | 6 | 133 | 19 | 1981 | 2070 | 2588 | 584 |
|
Maße in mm; F1: Vortriebskraft bei manueller Aufzeichnung, Sicherheitsfaktoren 2 und 2 (Standardbemessung) F2: Vortriebskraft bei automatischer Aufzeichnung und Kontrolle, Sicherheitsfaktoren 2 und 1,6 Technische Änderungen vorbehalten |
|||||||||||
Lieferprogramm für Steinzeug-Vortriebsrohre mit VT-Kupplung aus Kautschuk-Elastomer mit Stahlkorb [FI-Stein96]
| DN | Rohrdurchmesser | Kupplung | Bau− längen |
Vortriebskraft | mittl. Gewicht |
||||||
|---|---|---|---|---|---|---|---|---|---|---|---|
| d1 | d3 | dM max. |
e +3⁄−0 |
dK +⁄−1 |
dK +⁄−1 |
Dz | l1 +⁄−1 |
F1 [kN] |
F2 [kN] |
kg⁄m | |
| 200 | 200+⁄−3 | 244+⁄−3* | 276 | 50 | 267 | 102 | 4 | 996 | 282 | 353 | 60 |
| 250 | 250+⁄−3 | 322+0⁄−1 | 355 | 50 | 344 | 102 | 4 | 996 1996 |
705 | 881 | 105 |
| 300 | 300+⁄−4 | 374+0⁄−1 | 406 | 50 | 396 | 102 | 4 | 996 1996 |
707 | 884 | 125 |
| 400 | 402+⁄−8 | 516+0⁄−1 | 556 | 50 | 538 | 102 | 10** | 1990 | 1315 | 1644 | 240 |
| 500 | 503+⁄−9 | 620+0⁄−1 | 658 | 60 | 640 | 120 | 16** | 1984 | 1571 | 1964 | 295 |
| Maße in mm; * Umfangmaß U⁄π ** Spanplatte Technische Änderungen vorbehalten F1: Vortriebskraft bei manueller Aufzeichnung, Sicherheitsfaktoren 2 und 2 (Standardbemessung) F2: Vortriebskraft bei automatischer Aufzeichnung und Kontrolle, Sicherheitsfaktoren 2 und 1,6 |
|||||||||||
